Wolfspeed 2300V Silicon Carbide Power Modules
Wolfspeed 2300V Silicon Carbide Power Modules are a family of 2300V baseplate-less silicon carbide power modules for 1500V VBUS applications. This addition to the Wolfspeed WolfPACK™ family enables solar, energy storage and mega-watt fast EV charging companies to maximize performance while reducing BoM, production, and maintenance costs of the user's systems.Features
- Ultra-low loss
- High-frequency operation
- Zero turn-off tail current from MOSFET
- Normally off, fail-safe device operation
- Aluminium nitride substrate
- Optional pre-applied thermal interface material
- Enables compact, lightweight systems
- Enables two-level conversion for 1500VDC systems
- Increased system efficiency due to low switching and conduction losses of SiC
- Reduced thermal requirements and system cost
- Gen 4 options available
Applications
- DC fast chargers
- Energy storage systems
- High-efficiency converters/inverters
- Renewable energy
- Smart-grid/grid-tied distributed generation
- Solar inverters
Videos
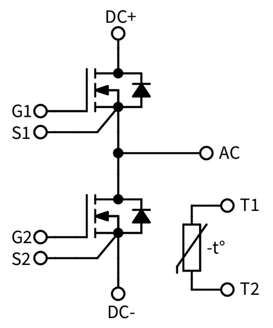
Circuit Diagram
Additional Resource
View Results ( 6 ) Page
| Part Number | Datasheet | Description |
|---|---|---|
| CAB5R0A23GM4T | ![]() |
Discrete Semiconductor Modules SiC, Module, 5mohm, 2300V, 48 mm, AlN GM4, Half-Bridge, Industrial, Pre-Applied TIM |
| CAB6R0A23GM4 | ![]() |
Discrete Semiconductor Modules SiC, Module, 6mohm, 2300V, 48 mm, AlN GM4, Half-Bridge, Industrial |
| CAB5R0A23GM4 | ![]() |
Discrete Semiconductor Modules SiC, Module, 5mohm, 2300V, 48 mm, AlN GM4, Half-Bridge, Industrial |
| CAB6R0A23GM4T | ![]() |
Discrete Semiconductor Modules SiC, Module, 6mohm, 2300V, 48 mm, AlN GM4, Half-Bridge, Industrial, Pre-Applied TIM |
| CAB7R5A23GM4T | ![]() |
Discrete Semiconductor Modules SiC, Module, 7.5mohm, 2300V, 48 mm, AlN GM4, Half-Bridge, Industrial, Pre-Applied TIM |
| CAB7R5A23GM4 | ![]() |
Discrete Semiconductor Modules SiC, Module, 7.5mohm, 2300V, 48 mm, AlN GM4, Half-Bridge, Industrial |
Published: 2024-08-29
| Updated: 2025-03-12

