VCC CTH Capacitive Touch Sensor Displays
VCC CTH Capacitive Touch Sensor Displays feature integrated touch sensing and display technology that provides a more user-friendly and intuitive interface for devices. These devices feature integrated circuit (IC) touch sensors, uniform illumination and high optical clarity, and a variety of colors: super red, white, pure green, blue, and yellow. The robust design does not have mechanical moving parts, simplifying designs and manufacturability. VCC CTH Capacitive Touch Sensor Displays measure 15mm x 15mm x 11mm with through-hole mounting (industry standard pitch 0.100"). Typical applications include mobile communication and electronic devices, appliances, medical devices, gaming, and more.Features
- Integrated touch sensing and display technology
- Provides a more user-friendly interface on devices
- Through-hole mounting (industry standard pitch 0.100")
- 15mm x 15mm x 11mm dimensions
- Available in super red, white, pure green, blue, and yellow
- Integrated circuit (IC) touch sensor
- Uniform illumination and high optical clarity
- Robust design due to no mechanical moving parts
- Simplifies devices design and manufacturability
- Optional overlay (icons): on/off, arrow, alarm
- RoHS and REACH compliant
Applications
- Mobile communication devices
- Point-of-sale (POS) terminals
- Industrial control displays
- Electronic devices
- Gaming
- Touchscreen monitors
- Portable instruments
- Media players
- Medical devices
- Appliances and consumer equipment
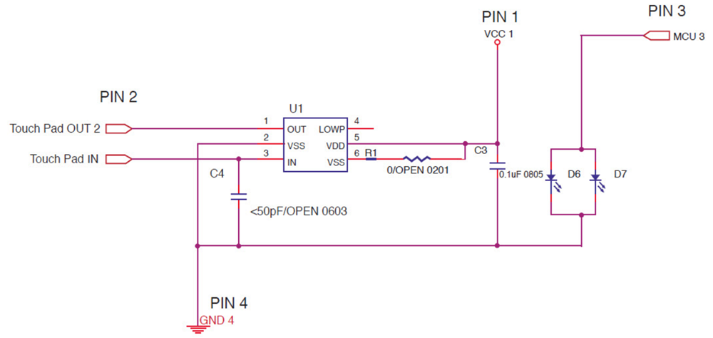
Input Circuit Diagram
Videos
Published: 2016-12-07
| Updated: 2023-03-27
