Torex Semiconductor XCL247/XCL248 Micro DC/DC Converters
Torex Semiconductor XCL247/XCL248 Micro DC/DC Converters are integrated with a control IC and coil. These converters feature a 3V to 36V input supply voltage range, 1.2MHz switching frequency, and 600mA output current. The XCL247/XCL248 converters' output voltage can be changed from 2.8V to 6V using an external resistor. These converters offer protection functions like current limit and thermal shutdown. The XCL247/XCL248 converters are available in DFN3030-10B (3mm x3mm x 1.7mm) packages and are EU RoHS compliant. Typical applications include industrial automation, industrial sensors, security systems, home appliances, 4mA to 20mA current loop, and high-voltage LDO replacement.Features
- 3V to 36V (40V absolute maximum) input voltage range
- 46V peak voltage (≤400ms applied time)
- 2.8V to 6V output voltage range
- 0.75V±1.5% feedback voltage
- 600mA output current
- 1.2MHz oscillation frequency
- 11µA quiescent current (XCL248)
- 88% efficiency
- Control methods
- F-PWM (XCL247)
- PWM/PFM (XCL248)
- Current limit and thermal shutdown protection functions
- Soft start (external adjustment) and power good functions
- Ceramic output capacitor
- -40°C to 105°C operating ambient temperature range
- DFN3030-10B (3mm x 3mm x 1.7mm) package
- EU RoHS-compliant and Pb-free
Applications
- Industrial automation
- Industrial sensors
- Security systems
- Home appliances
- 4mA to 20mA current loops
- High-voltage LDO replacements
- General-purpose Point of Load (POL) and power supplies
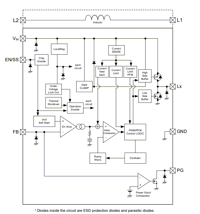
Block Diagram
Application Circuit Diagram
Published: 2025-04-21
| Updated: 2025-07-31
