Texas Instruments BQ24616 Battery Charge Controllers
Texas Instruments BQ24616 Battery Charge Controllers feature high accuracy charge current and voltage regulation, charge preconditioning, termination, adapter current regulation, and charge status monitoring. These highly integrated Li-Ion / Li-polymer switch-mode battery charge controllers have a 600kHz NMOS-NMOS synchronous buck converter and offer up to 10A charge current and adapter current. TI BQ24616 battery charge controllers are ideal for use in netbooks, mobile Internet devices, handheld terminals, and more.Features
- Battery thermistor sense for Japan Electronic Information Technology Association (JEITA) guideline-compatible chargers
- 600kHz NMOS-NMOS synchronous buck converter
- Stand-alone charger support for Li-Ion or Li-Polymer
- 5V-28V VCC input operating range and supports one to six battery cells
- Up to 10A charge current and adapter current
- High-accuracy voltage and current regulation
- ±0.5% charge voltage accuracy
- ±3% charge current accuracy
- ±3% adapter current accuracy
- Integration
- Automatic system power selection from adapter or battery
- Internal loop compensation
- Internal soft-start
- Dynamic power management
- Safety protection
- Input overvoltage protection
- Battery detection
- Reverse protection input FET
- Programmable safety timer
- Charge overcurrent protection
Applications
- Netbooks, mobile internet devices, and ultra-mobile PCs
- Handheld terminals
- Portable equipment
- Industrial and medical equipment
- Personal digital assistants
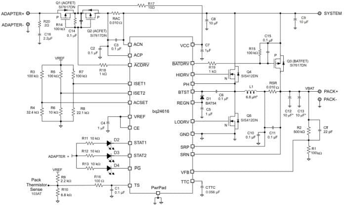
Application Circuit
Published: 2011-03-14
| Updated: 2022-03-11
