Texas Instruments TPS92667-Q1 Automotive LED Matrix Manager
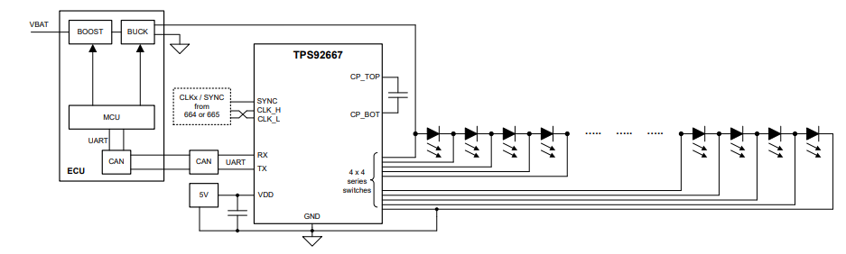
Texas Instruments TPS92667-Q1 Automotive LED Matrix Manager provides a fully dynamic adaptive lighting solution with individual pixel-level LED control. The TPS92667-Q1 incorporates four sub-strings of four series-connected integrated switches for bypassing individual LEDs. The individual sub-strings enable the TPS92667-Q1 to receive either single or multiple current sources.The TI TPS92667 matrix manager features an internal low-noise LVDS receiver input for a system clock offered by a TPS92664 or TPS92665 device. The multi-drop, universal, asynchronous receiver transmitter (UART) serial interface is compatible with TPS92664, TPS92665, TPS92662x, and TPS92663x matrix managers.
The TPS92667 combines registers for programming phase shift and pulse width of each individual LED in the string and for reporting LED open, short faults, and functional parameters.
Features
- AEC-Q100 qualified for automotive applications
- Grade 1 at –40°C to 125°C ambient temperature
- Device HBM classification level H1C
- Device CDM classification level C5
- 16 integrated bypass switches
- Programmable 10-bit PWM dimming
- Programmable slew rate control
- LED open detection and protection
- UART serial communication
- LVDS clock receiver for external system clock
- Previous LMM generation compatible
- CAN transceiver compatible
- Functional safety-capable
- Documentation available to aid functional safety system design
Applications
- Automotive headlight systems
- ADB or glare-free high beam
- Sequential turn, animated daytime running lights
Simplified Application
Published: 2023-01-21
| Updated: 2025-03-06
