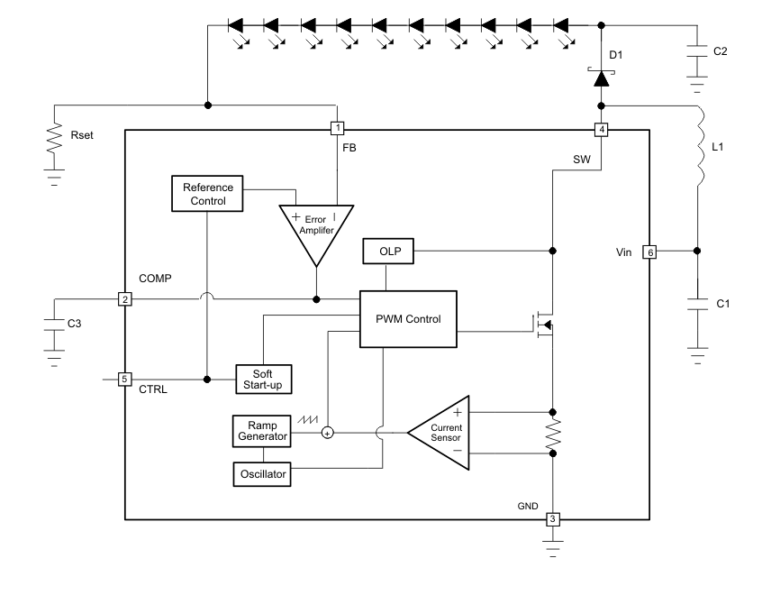
Texas Instruments TPS61160/1 White LED Drivers

Texas Instruments TPS61160/1 White LED Drivers have an integrated 40V switch FET with boost converters that drive-in series LEDs. Running at 600kHz fixed frequency, the boost converters reduce output ripple and enhanced conversion efficiency. This feature allows the usage of small external components. Feedback voltage is regulated to 200mV, and the external sensor resistor RSET is set through the default white LED. The LED current, while in operation, can be controlled using the one-wire digital interface (EasyScale protocol) through the CTRL pin. Applied to the CTRL pin, a pulse width modulation (PWM) signal the duty cycle determines the feedback reference voltage. The Texas Instruments TPS61160/1 will not burst the LED current in either digital or PWM mode. Additionally, this means that no audible noises will be generated on the output capacitor. Integrated open LED protection that disables the device prevents the output voltage from exceeding the device's absolute maximum voltage ratings during open LED conditions, offering maximum protection.

Features

  • 2.7V to 18V Input Voltage Range
  • 26V Open LED Protection (TPS61160)
  • 38V Open LED Protection (TPS61161)
  • 200mV Reference Voltage With ±2% Accuracy
  • Flexible Digital and PWM Brightness Control
  • Built-in Soft Start
  • Up to 90% Efficiency

Applications

  • Cellular Phones
  • Portable Media Players
  • Ultra Mobile Devices
  • GPS Receivers
  • White LED Backlighting for Media Form Factor Display

Block Diagram

Block Diagram - Texas Instruments TPS61160/1 White LED Drivers
Published: 2008-04-08 | Updated: 2022-03-11