Texas Instruments TPS543B20 Step-Down SWIFT Converter

Texas Instruments TPS543B20 Step-Down SWIFT™ Converter employs an internally compensated emulated peak-current-mode control, with a clock synchronizable, a fixed-frequency modulator for EMI-sensitive POL. The internal integrator and directly amplifying ramp tracking loop eliminate the need for external compensation over a wide range of frequencies. This combination makes the system design flexible, dense, and simple. Optional API and body braking help improve transient performance by significantly reducing undershoot and overshoot, respectively. Integrated NexFET™ MOSFETs with low-loss switching facilitate high efficiency and deliver up to 25A in a 5mm × 7mm PowerStack™ package with a layout-friendly thermal pad.

Features

  • Internally-compensated advanced current mode control 25A POL
  • 4V to 19V Input voltage range
  • 0.6V to 5.5V Output voltage range
  • Integrated 4.1/1.9mΩ stacked NexFET™ power stage with lossless low-side current sensing
  • Fixed frequency - synchronization to an external clock and/or sync out
  • Pin strapping programmable switching frequency
    • 300kHz to 2MHz for Standalone
    • 300kHz to 1MHz for Stackable
  • Stack 2× for up to 50A with current share, voltage share, and CLK sync
  • Pin strapping programmable reference from 0.6V to 1.1V with 0.5% accuracy
  • Differential remote sensing
  • Safe start-up into a pre-biased output
  • High-accuracy hiccup current limit
  • Asynchronous Pulse Injection (API) and body braking
  • 40-pin, 5mm × 7mm LQFN package with 0.5mm pitch and single thermal pad

Applications

  • Wireless and Wired Communications Infrastructure Equipment
  • Enterprise Servers, Switches, and Routers
  • Enterprise Storage, SSD
  • ASIC, SoC, FPGA, DSP Core and I/O Rails

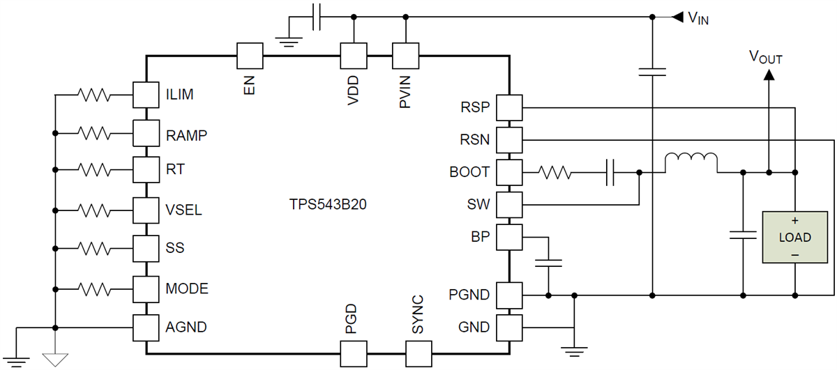
Simplified Schematic

Schematic - Texas Instruments TPS543B20 Step-Down SWIFT Converter

TI WEBENCH Designer

TI Webench Designer - Texas Instruments TPS543B20 Step-Down SWIFT Converter

TI Reference Designs Library

TI Reference Designs - Texas Instruments TPS543B20 Step-Down SWIFT Converter
Published: 2017-09-13 | Updated: 2023-02-16