Texas Instruments TPS51123A Dual-Synchronous Step-Down Controllers
Texas Instruments TPS51123A Dual-Synchronous Step-Down Controllers are wide-input voltage devices targeted for notebook system power supply solutions. The TI TPS1123A supports high-efficiency, fast-transient responses, and provides a combined power-good signal. Out-of-Audio™ mode light-load operation enables low acoustic noise at a much higher efficiency than conventional forced PWM operation. Texas Instruments TPS51123A step-down controllers operate with supply input voltages ranging from 5.5V to 28V and support output voltages from 2V to 5.5V.Features
- Wide-Input Voltage Range: 5.5V to 28V
- Output Voltage Range: 2V to 5.5V
- Built-in 100mA 5V/3.3V LDO with Switches
- Built-in 1% 2V Reference Output
- With/Without Out-of-Audio™ Mode Selectable Light-Load and PWM-Only Operation
- Internal 1.6ms Voltage Servo Soft-Start
- Adaptive On-Time Control Architecture with Four Selectable Frequency Setting
- 4500ppm/°C RDS(on) Current Sensing
- Built-In Output Discharge
- Power Good Output
- Built-in OVP/UVP/OCP
- Thermal Shutdown (Non-latch)
- 24-Pin QFN (RGE) Package
Applications
- Notebook Computers
- I/O Supplies
- System Power Supplies
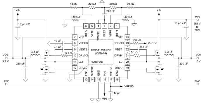
Block Diagram
Published: 2012-01-06
| Updated: 2022-03-11
