Texas Instruments TPLD1201-Q1 Automotive Programmable Logic Device

Texas Instruments TPLD1201-Q1 Automotive Programmable Logic Device is a part of the TI Programmable Logic Device (TPLD) family of devices. This PLD features versatile programmable logic ICs with combinational logic, sequential logic, and analog blocks. The TPLD1201-Q1 device operates within a 1.71V to 5.5V supply voltage range and an extended temperature range of -40°C to 125°C. This device offers a fully integrated, low-power solution for implementing common system functions, including timing delays, voltage monitors, system resets, power sequencers, and I/O expanders. Development tools include InterConnect Studio, an evaluation module, and a TPLD programming board. The TPLD1201-Q1 devices are AEC-Q100 qualified for automotive applications. Typical applications include factory automation and control, communications equipment, retail automation and payment, test and measurement, pro audio, video and signage, personal electronics, and automotive.

Features

  • Operating characteristics:
    • -40°C to 125°C extended temperature range
    • 1.71V to 5.5V wide supply voltage range
  • Qualified for automotive applications
  • Configurable macro-cells:
    • 2-, 3-, and 4-bit lookup tables
    • D-type flip-flops and latches with and without reset/set option
    • 8-bit pipe delay
    • Counters and delay generator
    • Programmable deglitch filter or edge detector
    • Discrete analog comparators
    • Voltage reference
    • Oscillator
  • Flexible digital I/O:
    • All digital signals can be routed to any GPIO
    • Digital input modes: digital in with and without Schmitt-trigger, and low-voltage digital in
    • Digital output modes: push-pull, open-drain NMOS, and tri-state
  • Development tools:
    • InterConnect studio
    • Evaluation module
    • TPLD programming board

Applications

  • Factory automation and control
  • Communications equipment
  • Retail automation and payment
  • Test and measurement
  • Pro audio, video, and signage
  • Personal electronics
  • Automotive

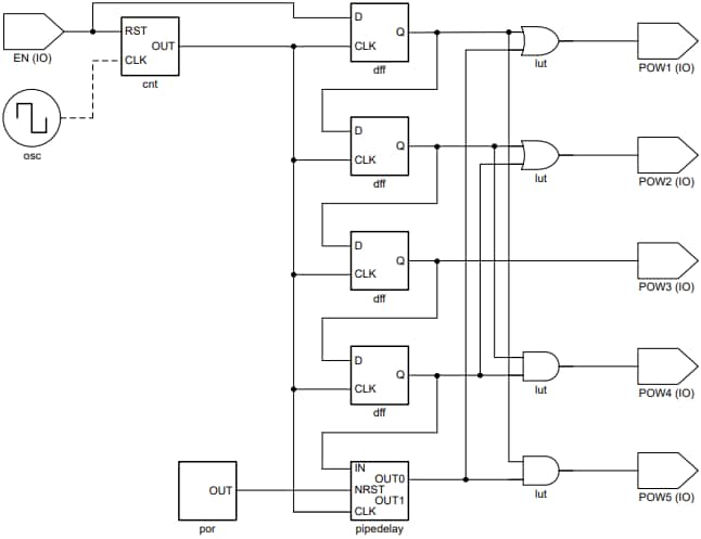
Functional Block Diagram

Block Diagram - Texas Instruments TPLD1201-Q1 Automotive Programmable Logic Device

Typical Application Diagram

Application Circuit Diagram - Texas Instruments TPLD1201-Q1 Automotive Programmable Logic Device

Typical Characteristics (TA = 25°C)

Performance Graph - Texas Instruments TPLD1201-Q1 Automotive Programmable Logic Device
Published: 2026-01-13 | Updated: 2026-01-29