Texas Instruments TPDxE05U06/TPDxE05U06-Q1 TVSs
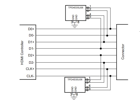
Texas Instruments TPDxE05U06/TPDxE05U06-Q1 Transient Voltage Suppressors (TVS) are unidirectional, Electrostatic Discharge (ESD) protection diodes with ultra-low capacitance. The devices are rated to dissipate ESD strikes above the maximum level specified in the IEC 61000-4-2 level 4 international standard.The TI TPDxE05U06/TPDxE05U06-Q1 Suppressors feature an ultra-low loading capacitance ideal for protecting high-speed signal applications up to 6Gbps. The devices are suitable for various applications, including high-speed signal lines in HDMI 1.4b, HDMI 2.0, USB 3.0, MHL, LVDS, DisplayPort, PCI-Express®, eSata, and V-by-One® HS.
Features
- AEC-Q101 Qualified (TPDxE05U06-Q1)
- Device HBM classification level H3B
- Device CDM classification level C5
- –40°C to +125°C Device temperature range
- IEC 61000-4-2 Level 4 ESD protection
- ±12kV Contact discharge
- ±15kV Air gap discharge
- IEC 61000-4-4 EFT Protection
- 80A (5/50ns)
- IEC 61000-4-5 Surge protection
- 2.5A (8/20µs)
- I/O Capacitance 0.42pF to 0.5pF (typical)
- DC Breakdown voltage 6.4V (minimum)
- Ultra-low leakage current 10nA (maximum)
- Low ESD clamping voltage (14V at 5A TLP)
- Easy flow-through routing packages
Applications
- End equipment
- Head unit
- Rear seat entertainment
- Telematics
- USB Hub
- Navigation module
- Media Interface
- Interfaces
- USB 2.0
- USB 3.0
- HDMI 1.4/2.0
- LVDS
- DisplayPort
- SIM Card
Additional Resources
Functional Block Diagram
Simplified Schematic
Published: 2022-04-10
| Updated: 2024-08-10
