Texas Instruments SNx4LVC74A/SNx4LVC74A-Q1 Flip-Flops
Texas Instruments SNx4LVC74A/SNx4LVC74A-Q1 Flip-Flops integrate two positive-edge triggered D-type flip-flops in one convenient device. The SN54LVC74A is developed for 2.7V to 3.6V VCC operation, and the SN74LVC74A is engineered for 1.65V to 3.6V VCC operation. The TI SNx4LVC74A-Q1 is AEC-Q100 qualified for automotive applications. The SNx4LVC74A-EP devices have gold bond wires, a temperature range of -55 to +105°C, and an SnPb lead finish.Features
- Qualified for automotive applications (SNx4LVC74A-Q1)
- ESD protection exceeds 2000V per MIL-STD-883, Method 3015
- Inputs accept voltages to 5.5V
- Max tpd of 5.2ns at 3.3V
- Typical VOLP (output ground bounce) <0.8V at VCC = 3.3V, TA = 25°C
- Operates from 2V to 3.6V
- Typical VOHV (output VOH undershoot) >2V at VCC = 3.3V, TA = 25°C
- Latch-up performance exceeds 250mA per JESD 17
- ESD protection exceeds JESD 22
- 2000V human-body model (A114-A)
- 1000V charged-device model (C101)
Applications
- Servers
- Medical, healthcare, and fitness
- Telecom infrastructures
- TVs, set-top boxes, and audio
- Test and measurement
- Industrial transport
- Wireless infrastructure
- Enterprise switching
- Motor drives
- Factory automation and control
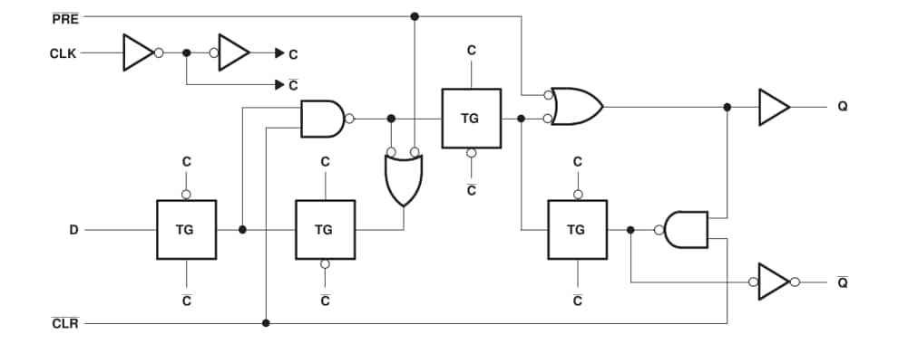
Logic Diagram, Each Flip-Flop (Positive Logic)
Published: 2024-07-23
| Updated: 2025-05-13
