Texas Instruments SN74HCS259/SN74HCS259-Q1 8-Bit Addressable Latches

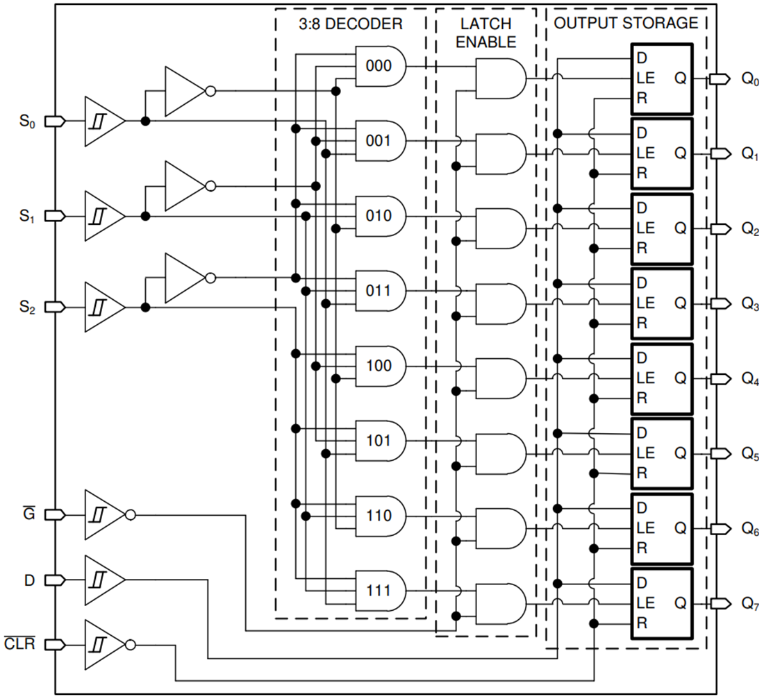
Texas Instruments SN74HCS259/SN74HCS259-Q1 8-Bit Addressable Latches are designed for general-purpose storage applications in digital systems. Specific uses include working registers, serial-holding registers, and active-high decoders or demultiplexers. These multifunctional devices can store single-line data in eight addressable latches. These devices can also be a 1-of-8 decoder or demultiplexer with active-high outputs. The Texas Instruments SN74HCS259-Q1 devices are AEC-Q100 qualified for automotive applications.

Features

  • 2V to 6V wide operating voltage range
  • Schmitt-trigger inputs allow for slow or noisy input signals
  • 7.8mA output drive at 6V
  • –40°C to +125°C, TA extended ambient temperature range
  • Low power consumption
    • Typical ICC of 100nA
    • Typical input leakage current of ±100nA

Applications

  • Memory device selection with a shared data bus
  • Reduce the required number of outputs for chip-select applications
  • Route data

Functional Block Diagram

Block Diagram - Texas Instruments SN74HCS259/SN74HCS259-Q1 8-Bit Addressable Latches
Published: 2020-08-19 | Updated: 2024-11-07