Texas Instruments SN74ACT596/SN74ACT596-Q1 SIPO Shift Registers

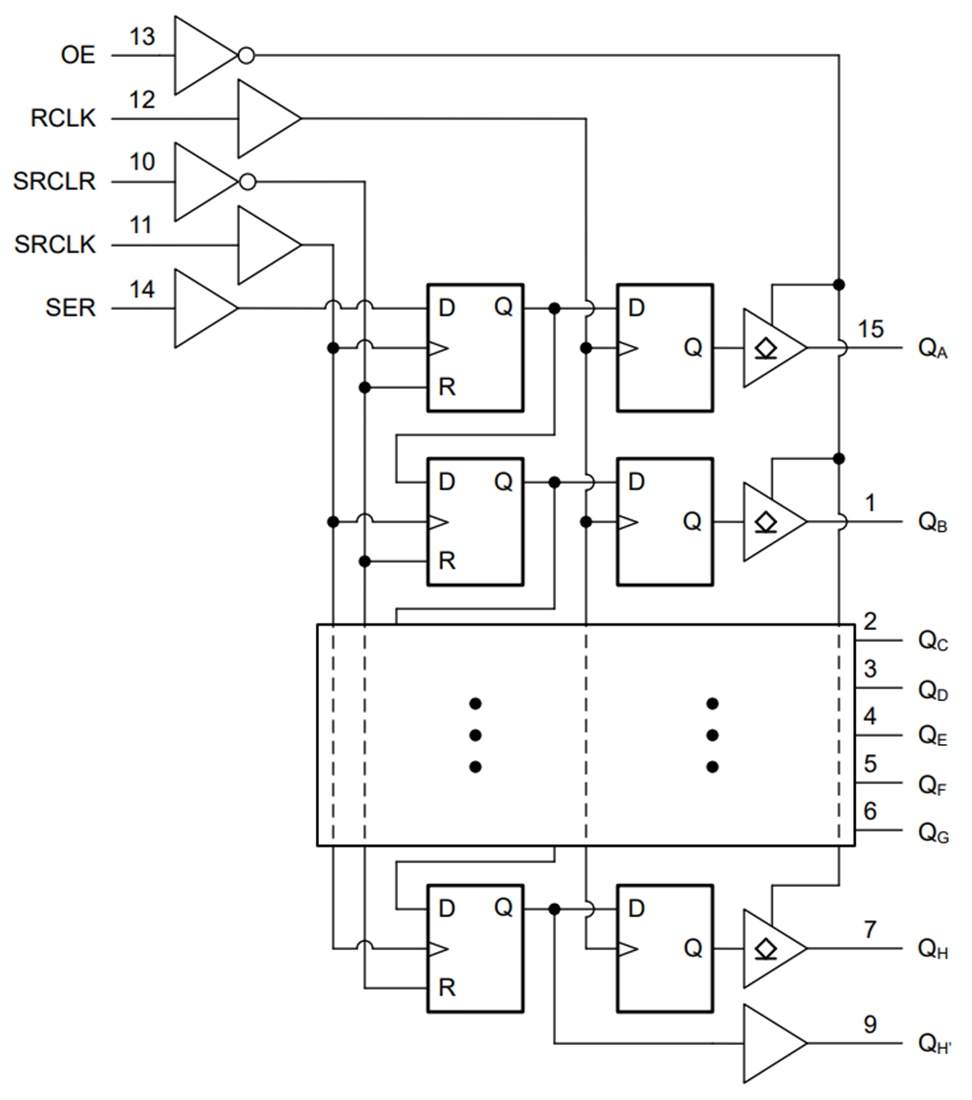
Texas Instruments SN74ACT596/SN74ACT596-Q1 8-Bit SIPO Shift Registers contain an 8-bit, serial-in, parallel-out (SIPO) shift register that feeds an 8-bit D-type storage register. Separate clocks are provided for both the storage and shift registers, and the storage register has parallel open-drain outputs. The shift register has a direct overriding clear (SRCLR\) input, serial output (QH’), and serial (SER) input for cascading. The outputs are in a high-impedance state when the output-enable (OE\) input is high. The operation of the OE\ input does not impact the internal register data. The Texas Instruments SN74ACT596-Q1 devices are AEC-Q100 qualified for automotive applications.

Features

  • Operating voltage range of 4.5V to 5.5V
  • TTL-compatible inputs
  • Continuous ±24mA output drive at 5V
  • Supports up to ±75mA output drive at 5VIN short bursts
  • Drives 50Ω transmission lines
  • Fast operation with a delay of 11.6ns max

Applications

  • Increase the number of outputs on a microcontroller
  • Store up to 8 bits of data temporarily

Logic Diagram (Positive Logic)

Block Diagram - Texas Instruments SN74ACT596/SN74ACT596-Q1 SIPO Shift Registers
Published: 2025-03-25 | Updated: 2025-05-06