Texas Instruments SN74AC2G101/SN74AC2G101-Q1 Gates

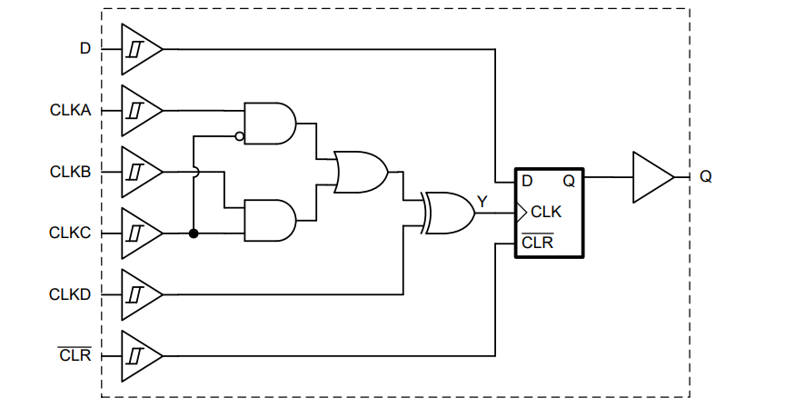
Texas Instruments SN74AC2G101/SN74AC2G101-Q1 Gates feature two independent D-type flip-flops with rising-edge triggered configurable logic clock, active-low clear, and data inputs. The clock inputs can be arranged for multiple 1- and 2-input logic functions, including buffer, inverter, AND, OR, NAND, NOR, XOR, and XNOR. All inputs have a Schmitt-trigger architecture to support slow or noisy input signals.

The TI SN74AC2G101-Q1 is AEC-Q100 qualified for automotive applications.

Features

  • AEC-Q100 qualified for automotive applications (SN74AC2G101-Q1):
    • Device temperature grade 1 of -40°C to +125°C
    • Device HBM ESD classification level 2
    • Device CDM ESD classification level C4B
  • Available in a wettable flank QFN package
  • Wide operating range of 1.5V to 6V
  • Inputs accept voltages up to 6V
  • Continuous ±24mA output drive at 5V
  • Supports up to ±75mA output drive at 5V in short bursts
  • Drives 50Ω transmission lines
  • Maximum tpd of 11.3ns at 5V, 50pF load

Applications

  • Hold a signal during controller reset
  • Input slow edge-rate signals
  • Operate in noisy environments

Logic Diagram (Positive Logic)

Location Circuit - Texas Instruments SN74AC2G101/SN74AC2G101-Q1 Gates
Published: 2025-08-16 | Updated: 2025-08-25