Texas Instruments SN65HVD7x 3.3V-Supply RS-485 Interface ICs
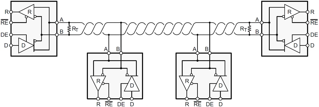
Texas Instruments SN65HVD7x 3.3V-Supply RS-485 Interface ICs with IEC ESD Protection have robust 3.3V drivers and receivers in a small package for demanding industrial applications. The bus pins of these TI devices are robust to ESD events with high levels of protection to Human-Body Model and IEC Contact Discharge specifications. TI SN65HVD78, SN65HVD75, and SN65HVD72 each combine a differential driver and a differential receiver that operate from a single 3.3V power supply. The driver differential outputs and the receiver differential inputs are connected internally to form a bus port suitable for half-duplex (two-wire bus) communication. These TI interface ICs feature a wide common-mode voltage range, making the devices suitable for multi-point applications over long cable runs. SN65HVD7x devices are characterized from -40°C to +125°C.Features
- Bus I/O Protection
- > ±15kV HBM protection
- > ±12kV IEC61000-4-2 contact discharge
- > ±12kV IEC61000-4-2 air-gap discharge
- -40°C to +125°C industrial temperature range
- Large receiver hysteresis (80mV) for noise rejection
- Low unit-loading allows over 200 connected nodes
- Low Power Consumption
- Low standby supply current: < 2µA
- ICC < 1mA quiescent during operation
- 5V tolerant logic inputs compatible with 3.3V or 5V controllers
- Signaling rate options optimized for: 250kbps, 20Mbps, 50Mbps
- Glitch free power-up and power-down bus inputs and outputs
Applications
- Factory automation
- Telecom infrastructure
- Motion control
Typical Application Diagram
Published: 2012-06-11
| Updated: 2022-03-11
