Texas Instruments SN65HVD1780/1781/1782 RS-485 Transceivers
Texas Instruments SN65HVD1780/1781/1782 RS-485 Transceivers are designed to survive overvoltage faults such as direct shorts. These direct shorts can be to power supplies, mis-wiring faults, connector failures, cable crushes, and tool mis-applications. The devices are also robust to ESD events with high levels of protection to the human-body-model specification. The SN65HVD1780/1781/1782 devices combine a differential driver and a differential receiver, which operate from a single power supply. In the SN65HVD1782, the driver differential outputs and the receiver differential inputs are connected internally to form a bus port suitable for half-duplex (two-wire bus) communication. This port features a wide common- mode voltage range, making the devices suitable for multi-point applications over long cable runs.Features
- Bus-pin fault protection to
- > ±70V (SN65HVD1780, SN65HVD1781)
- > ±30V (SN65HVD1782)
- Operation with 3.3V to 5V supply range
- ±16kV HBM protection on bus pins
- Reduced unit load for up to 320 nodes
- Failsafe receiver for open-circuit, short-circuit, and idle-bus conditions
- Low power consumption
- Low standby supply current, 1µA maximum
- ICC 4mA Quiescent current during operation
- Pin-compatible with industry-standard SN75176
- Signaling rates of 115kbps, 1Mbps, and up to 10Mbps
Applications
- HVAC Networks
- Security electronics
- Building automation
- Telecommunication equipment
- Motion control
- Industrial networks
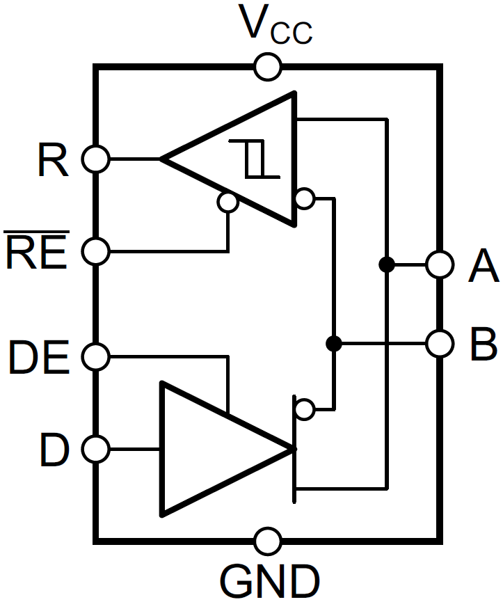
Functional Block Diagram
Published: 2016-04-13
| Updated: 2022-03-11
