Texas Instruments LM706x0/LM706x0-Q1 Buck Converters
Texas Instruments LM706x0/LM706x0-Q1 Buck Converters feature a 4.5V to 65V input voltage range and up to 10A of output current at fixed output voltages of 3.3V, 5V, 12V, or an adjustable output. The LM706x0/LM706x0-Q1 low-IQ, wide-VIN synchronous buck converters utilize a peak current-mode control architecture for easy loop compensation, fast transient response, and superior load and line regulation. A pair of LM706A0-Q1 converters can be set up in an interleaved mode (paralleled outputs) with accurate current sharing for applications needing up to 20A of output current. The LM706A0-Q1 supplies a unique Dual Random Spread Spectrum (DRSS) function that incorporates low-frequency triangular and high-frequency cycle-by-cycle random modulations for enhanced EMI performance across a wide range of frequency bands.The TI LM706x0-Q1 converter is engineered in a 6mm × 6mm thermally optimized, 29-pin QFN package. The three die-attach pads (VIN, SW, and PGND) improve thermal performance and board-level reliability (BLR). The LM706x0-Q1 devices are AEC-Q100 qualified for automotive applications.
Features
- AEC-Q100 qualified for automotive applications with device temperature grade 1 of -40°C to +125°C ambient operating temperature
- Functional safety-capable documentation available to aid functional safety system design
- Synchronous DC/DC converter with a versatile buck controller and robust power MOSFETs
- 4.5V to 65V wide input voltage range
- 2.3µA shutdown mode current
- 10.4µA no-load IQ regulating 24V to 5V
- 1% accurate, fixed 3.3V, 5V, 12V, or adjustable outputs from 0.8V to 36V
- Dual-phase operation enabling output currents up to 16A
- Designed for low EMI requirements
- Facilitates CISPR 25 Class 5 compliance
- Pin-selectable ±8% dual-random spread spectrum reduces peak emissions
- 200kHz to 2.2MHz switching frequency
- Pin-configurable AUTO or FPWM operation
- Inherent protection features for robust design
- Internal hiccup-mode overcurrent protection
- Enable, power good, and thermal shutdown
- Internal or external loop compensation
- 6mm x 6mm thermally optimized, RoHS compliant, QFN-29 package with Pb-free plating
- Create a custom design using the LM706A0-Q1 with the WEBENCH® Power Designer
Applications
- Automotive electronic systems
- Advanced Driver Assist Systems (ADAS)
- Infotainment and cluster
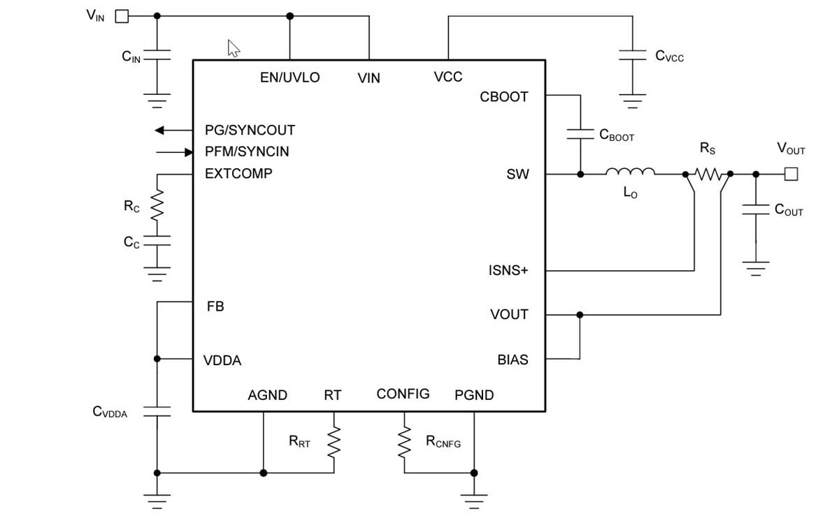
Typical Application Circuit
Published: 2024-10-30
| Updated: 2025-05-09
