Texas Instruments JFE2140 N-Channel JFET
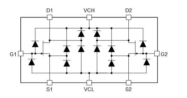
Texas Instruments JFE2140 N-Channel JFET is a Burr-Brown™ matched-pair discrete JFET built using TIs' high-performance, analog bipolar process. The JFE2140 features excellent noise performance across all current ranges, where the user sets the quiescent current from 50μA to 20mA. When biased at 5mA, the JFE2140 yields 0.9nV/√Hz of input-referred noise, allowing ultra-low noise performance with extremely high input impedance (> 1TΩ). Furthermore, the matching between JFETs is tested to ±4mV, ensuring low offset and high CMRR performance for differential pair configurations.The TI JFE2140 N-Channel JFET additionally offers integrated diodes connected to separate clamp nodes to ensure protection without the addition of high leakage, nonlinear external diodes.
The JFE2140 withstands a high drain-to-source voltage of 40V and has a specified temperature range of –40°C to +125°C. The device permits gate-to-source and gate-to-drain voltages down to –40V.
Features
- Ultra-low noise:
- Voltage noise:
- 0.9nV/√Hz at 1kHz, IDS = 5mA
- 1.1nV/√Hz at 1kHz, IDS = 2mA
- Current noise of 1.6fA/√Hz at 1kHz
- Voltage noise:
- 4mV (max) Low VGS mismatch
- 10pA (max) Low gate current
- 13pF at VDS = 5V Low input capacitance
- –40V High gate-to-drain and gate-to-source breakdown voltage
- 30mS High transconductance
- SOIC and 2mm × 2mm WSON Packages
Applications
- Microphone inputs
- Hydrophones and marine equipment
- DJ controllers, mixers, and other DJ equipment
- Professional audio mixer or control surface
- Guitar amplifier and other music instrument amplifier
- Condition monitoring sensor
Simplified Schematic
Functional Block Diagram
Published: 2022-03-16
| Updated: 2024-09-18
