Texas Instruments ISO1042 & ISO1042-Q1 Isolated CAN Transceivers
Texas Instruments ISO1042 and ISO1042-Q1 Isolated CAN Transceivers are galvanically-isolated controller area network (CAN) transceivers that meet the specifications of the ISO11898-2 (2016) standard. The ISO1042/Q1 device offers ±70VDC bus fault protection and ±30V common-mode voltage range. The device supports up to 5Mbps data rate in CAN FD mode allowing much faster transfer of payload compared to a classic CAN. The ISO1042/Q1 uses a silicon dioxide (SiO2) insulation barrier with a withstand voltage of 5000VRMS and a working voltage of 1060VRMS. Electromagnetic compatibility has been significantly enhanced to enable system-level ESD, EFT, surge, and emissions compliance. Used in conjunction with isolated power supplies, the device protects against high voltage and prevents noise currents from the bus from entering the local ground. The ISO1042/Q1 is available for both basic and reinforced isolation.Features
- Meets the ISO 11898-2:2016 and ISO 11898-5:2007 physical layer standards
- Supports classic CAN up to 1Mbps and FD (Flexible data rate) up to 5Mbps
- 152ns Low loop delay
- Protection features
- ±70V DC Bus fault protection voltage
- ±16kV HBM ESD Tolerance on bus pins
- Driver Dominant Time Out (TXD DTO)
- Undervoltage protection on VCC1 and VCC2
- ±30V Common-mode voltage range
- Ideal passive, high-impedance bus terminals when unpowered
- 100kV/µs High CMTI
- 1.71V to 5.5V VCC1 Voltage range
- Supports 1.8V, 2.5V, 3.3V and 5.0V logic interface to the CAN controller
- 4.5V to 5.5V VCC2 Voltage range
- Robust Electromagnetic Compatibility (EMC)
- System-level ESD, EFT, and surge immunity
- Low emissions
- –40°C to +125°C Ambient temperature range
- 16-SOIC and 8-SOIC Package options
- Safety-related certifications
- 7071VPK VIOTM and 1500VPK VIORM (Reinforced and basic options) per DIN V VDE V 0884-11
- 5000VRMS Isolation for 1 minute per UL 1577
- IEC 60950-1, IEC 60601-1 and EN 61010-1 certifications
- CQC, TUV and CSA Certifications
- All certifications planned
Applications
- AC and Servo drives
- Solar inverters
- PLC and DCS Communication modules
- Elevators and escalators
- Industrial power supplies
- Battery charging and management
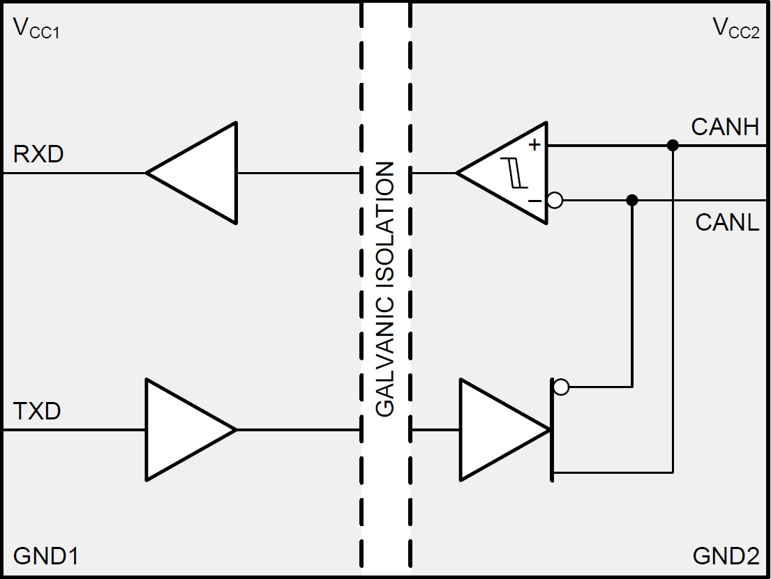
Functional Block Diagram
Published: 2018-10-31
| Updated: 2023-07-18
