Texas Instruments DAC43902-Q1 Automotive Smart DAC

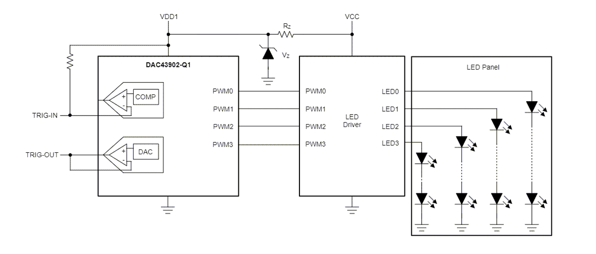
Texas Instruments DAC43902-Q1 Automotive Smart DAC provides four PWM outputs that can also function as trigger inputs or outputs. The DAC43902-Q1 offers a preconfigured state machine that logic generates logarithmic dimming with configurable timings. The PWM-based logarithmic dimming is applicable in logarithmic fade-in and fade-out applications in automotive interior and exterior lighting. The DAC43902-Q1 also supports sequential animation functional for automotive turn-indicator lights. The device supplies NVM for storing the configurations. These smart DACs function without needing a processor (processor-less operation) using GPIOs and NVM.

The TI DAC43902-Q1 Automotive Smart DAC automatically detects I2C or SPI and has an internal reference. The feature set, incorporated with the tiny package and low power, makes the DAC43902-Q1 ideal for applications in automotive light animation.

Features

  • AEC-Q100 qualified for automotive applications:
    • Temperature grade 1 of -40°C to +125°C, TA
  • Pulse-width modulation (PWM) output on digital pins (218Hz to 48.8kHz)
  • Logarithmic dimming
  • LED fade-in fade-out with GPIO control
  • Programmable comparators and DACs configured as GPIO
  • Automatically detects I2C or SPI
    • 1.62V VIH with VDD = 5.5V
  • Sequential turn indicator animation
  • VREF/MODE pin to select between programming and standalone modes
  • User-programmable nonvolatile memory (NVM)
  • Internal, external, or power supply as reference
  • Wide operating range
    • Power supply of 1.8V to 5.5V
    • Temperature range of -40˚C to +125˚C
  • Tiny package of 16-pin WQFN (3mm × 3mm)

Applications

  • Rear light
  • Small light
  • Interior light

Sequential Turn Indicator Animation Using DAC43902-Q1

Texas Instruments DAC43902-Q1 Automotive Smart DAC

Functional Block

Block Diagram - Texas Instruments DAC43902-Q1 Automotive Smart DAC
Published: 2024-01-25 | Updated: 2025-05-06