Texas Instruments bq76972 High-Accuracy Battery Monitor
Texas Instruments bq76972 High-Accuracy Battery Monitor is a highly integrated, high-accuracy battery monitor and protector for 3-series to 16-series Li-ion, Li-polymer, and LiFePO4 battery packs. The device includes a high-accuracy monitoring system, a highly configurable protection subsystem, and support for autonomous or host-controlled cell balancing. Integration includes high-side charge-pump NFET drivers, dual programmable LDOs for external system use, and a host communication peripheral supporting 400kHz I2C, SPI, and HDQ one-wire standards. The Texas Instruments bq76972 device is available in a 48-pin TQFP package.Features
- Battery monitoring capability for 3-series to 16-series cells
- High accuracy cell voltage measurement of ±3.0mV
- Integrated charge pump for high-side NFET protection with optional autonomous recovery
- Extensive protection suite including voltage, temperature, current, and internal diagnostics
- Two independent ADCs
- Support for simultaneous current and voltage sampling
- High-accuracy coulomb counter with input offset error < 1µV (typical)
- Multiple power modes (for typical battery pack operating range conditions)
- NORMAL mode: 286µA
- Multiple SLEEP mode options: 24µA to 41µA
- Multiple DEEPSLEEP mode options: 9µA to 10µA
- SHUTDOWN mode: 1µA
- Wide-range current applications (±200mV measurement range across sense resistor)
- Integrated secondary chemical fuse drive protection
- Autonomous or host-controlled cell balancing
- High-voltage tolerance of 85V on cell connect and select additional pins
- Tolerant of random cell attach sequence on the production line
- Support for temperature sensing using an internal sensor and up to nine external thermistors
- Integrated one-time-programmable (OTP) memory programmable by customers on the production line
- Communication options include 400kHz I2C, SPI, and HDQ one-wire interface
- Dual-programmable LDOs for external system usage
- 48-pin TQFP package (PFB)
Applications
- Energy storage systems
- Battery backup unit (BBU)
- E-bike, e-scooter, and LEV
- Cordless power tools and garden tools
- Non-military drones
- Other industrial battery pack (≥ 10 series)
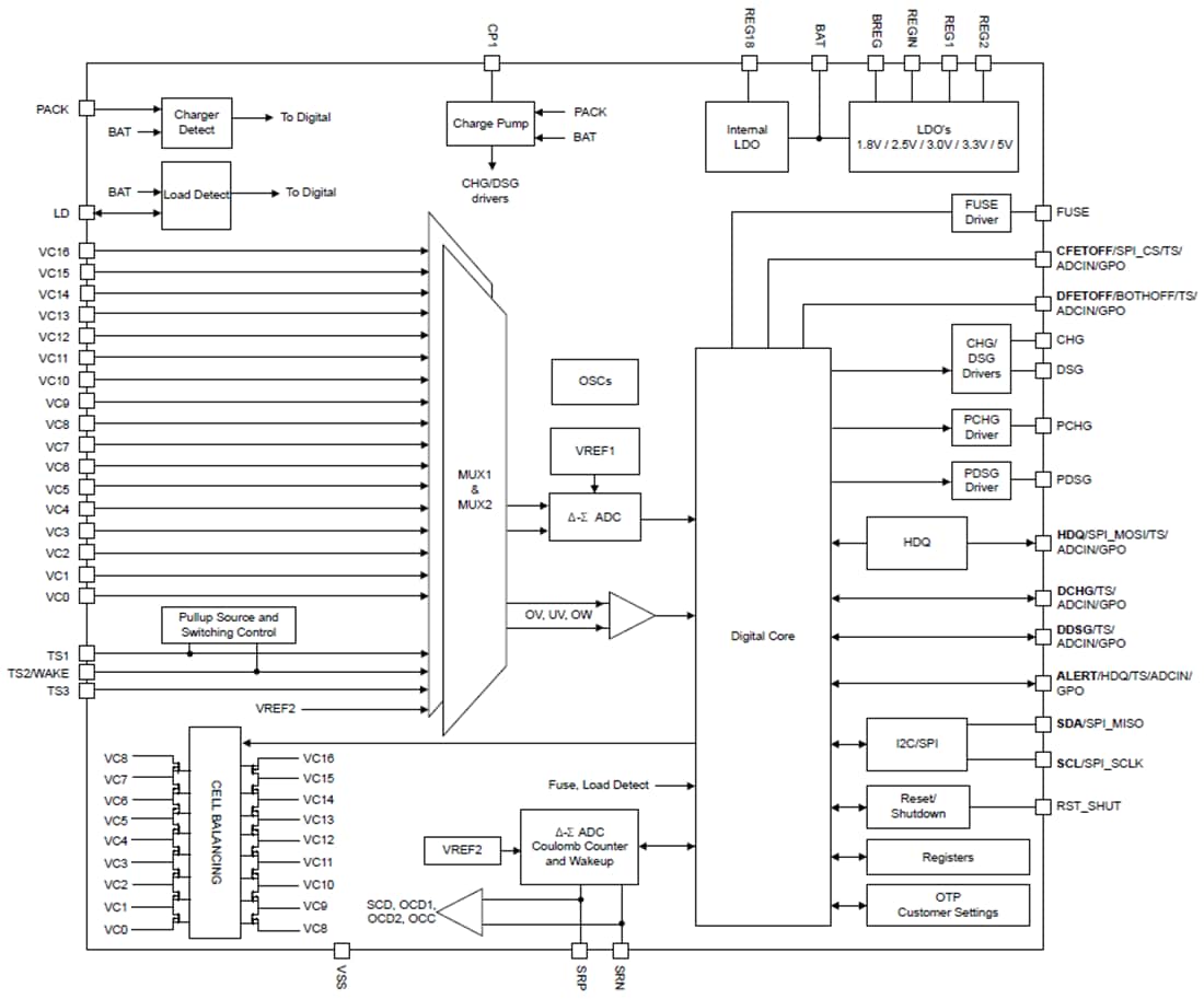
Functional Block Diagram
Published: 2024-02-06
| Updated: 2024-02-12
