Texas Instruments bq5105x Wireless Power Receiver

Texas Instruments bq5105x Wireless Power Receiver is a high-efficiency, Qi-compliant wireless power receiver with an integrated Li-Ion/Li-Pol battery charge controller for portable applications. The bq5105x provides efficient AC-DC power conversion, integrates the digital controller required to comply with Qi v1.2 communication protocol. The device also provides all necessary control algorithms needed for efficient and safe Li-Ion and Li-Pol battery charging. Together with the bq500212A transmitter-side controller, the bq5105x enables a complete wireless power transfer system for direct battery charger solutions. By using near-field inductive power transfer, the receiver coil embedded in the portable device can pick up the power transmitted by transmitter coil. The AC signal from the receiver coil is then rectified and conditioned to apply power directly to the battery. Global feedback is established from the receiver to the transmitter to stabilize the power transfer process. This feedback is established by using the Qi v1.2 communication protocol.

The bq5105xB devices integrate a low-impedance synchronous rectifier, low-dropout regulator (LDO), digital control, charger controller, and accurate voltage and current loops in a single package. The entire power stage (rectifier and LDO) use low-resistance N-MOSFETs (100mΩ typical Rdson) to ensure high efficiency and low power dissipation.

Features

  • Compatible With WPC v1.2 Qi Industry Standard
  • Single-Stage Wireless Power Receiver and Li-Ion/Li-Pol Battery Charger
    • Combines Wireless Power Receiver, Rectifier, and Battery Charger in a Single, Small Package
    • 4.20V, 4.35V, and 4.40V Output Voltage Options
    • Supports a Charging Current up to 1.5A
    • 93% Peak AC-DC Charging Efficiency
  • Robust Architecture
    • 20V Maximum Input Voltage Tolerance, With Input Overvoltage Protection
    • Thermal Shutdown and Overcurrent Protection
    • Temperature Monitoring and Fault Detection
  • Power Stage Output Tracks Rectifier and Battery Voltage to Ensure Maximum Efficiency Across the Full Charge Cycle
  • Available in Small DSGBA and VQFN Packages

Applications

  • Battery Packs
  • Cell Phones and Smart Phones
  • Headsets
  • Portable Media Players
  • Other Handheld Devices

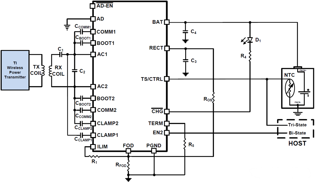
Typical Application Schematic

Schematic - Texas Instruments bq5105x Wireless Power Receiver

TI Reference Designs Library

TI Reference Designs - Texas Instruments bq5105x Wireless Power Receiver
Published: 2013-01-04 | Updated: 2022-03-11