M5Stack AIN4-20mA Module 13.2
M5Stack AIN4-20mA Module 13.2 Quad-channel current analog acquisition module that adopts the STM32G030F6 central control chip and a dedicated acquisition chip. This module offers isolation to communicate with the M5 host for I2C communication. The AIN4-20mA module 13.2 supports externally powered wiring via jumper caps and internal switching. This module offers an Onboard power isolation chip, ensures signal accuracy and system safety, and built-in op amp circuitry accurately measures external current sensors. The AIN4-20mA module 13.2 regarding power supply, the DC-JACK interface, and the corresponding DC-DC boost circuit provide power to the entire device.This module features a built-in galvanic isolation chip and supports Arduino, UIFlow, and other programming platforms. The AIN4-20mA module 13.2 operates at 0°C to 40°C temperature range and 9V to 24V supply voltage range. This module is ideally used in motor control and energy management.
Features
- STM32G030F6® 32-bit Cortex®-M0+ CPU
- I2C communication
- Support four 2 or 4-wire sensors, jumper cap switching
- Built-in galvanic isolation chip
- Support Arduino, UIFlow, and other programming platforms
- 0°C to 40°C temperature range
- 9V to 24V supply voltage range
Kit Contents
- 1x AIN4-20mA module 13.2
- 12x jumper cap
- 5mm x 2.54mm plug-in terminal block
Applications
- Power system equipment monitoring
- Motor control
- Energy management
- Automation and industrial process control
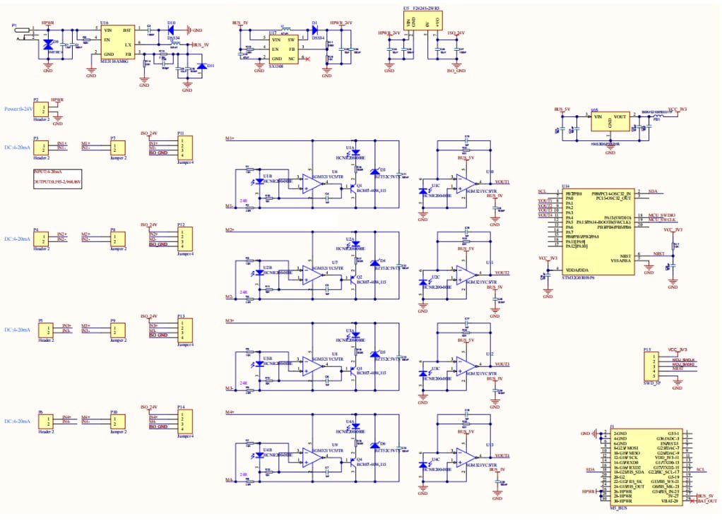
Schematic Diagram
Dimension Diagram
Published: 2023-08-14
| Updated: 2023-10-04
