Taoglas FXP.810 Freedom Dual-band Antenna

Taoglas FXP.810 Freedom Dual-band Antenna is a high-efficiency ground plane independent antenna with 1.5dBi and 5.1dBi peak gain. This FXP.810 antenna comes with a 2.4GHz to 5.8GHz frequency range and 50Ω impedance. The freedom dual-band antenna is available in 100mm cable length and 31mm x 31mm x 0.1mm dimensions.

Features

  • Very high-efficiency
  • Ground-plane independent antenna
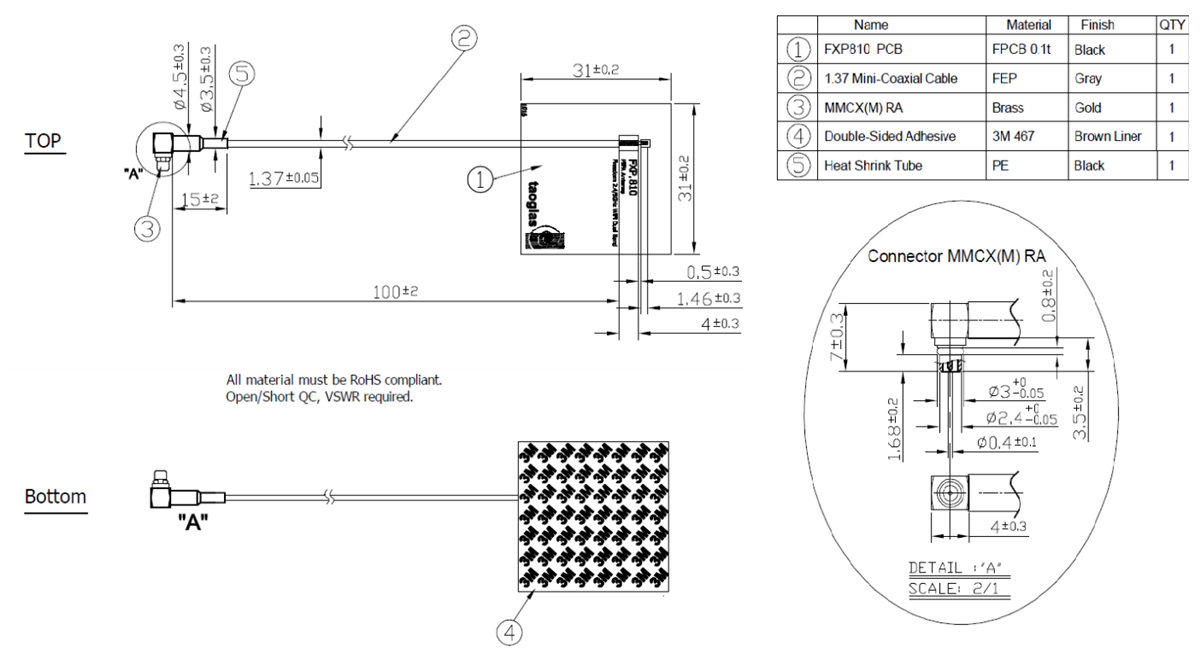
  • MMCX(M)RA connector
  • 100mm cable length and 1.37mm coaxial cable type
  • 31mm x 31mm x 0.1mm dimensions
  • RoHS compliant

Specifications

  • 1.5dBi and 5.1dBi peak gain peak gain
  • 2.4GHz to 5.8GHz frequency range
  • 50Ω impedance
  • 2W maximum input power
  • -40°C to 85°C operating temperature range

Mechanical Drawing

Mechanical Drawing - Taoglas FXP.810 Freedom Dual-band Antenna
Published: 2021-04-19 | Updated: 2023-01-24