Taiwan Semiconductor MBRADx Schottky Rectifiers
Taiwan Semiconductor MBRADx Schottky Rectifiers are AEC-Q101 qualified, RoHS compliant, and feature low power loss and high efficiency. These rectifiers offer matte tin-plated leads, solderable per J-STD-002 terminal. The MBRADx Schottky rectifiers are provided with ThinDPAK cases. These rectifiers feature high surge current capability and are ideal for automated placement. The MBRADx Schottky rectifiers operate at -55°C to 150°C junction temperature range. These rectifiers are ideally used in DC/DC converters, freewheeling diodes, and car lighting.Features
- AEC-Q101 qualified
- Low power loss, high efficiency
- Ideal for automated placement
- High surge current capability
- Moisture sensitivity Level 1 as per J-STD-020
- RoHS Compliant
- Halogen-free
- -55°C to 150°C junction and storage temperature range
Applications
- Low voltage, high frequency, inverter
- DC/DC converter
- Freewheeling diodes
- Reverse battery protection
- Car lighting
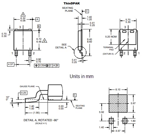
Dimension Diagram
Videos
View Results ( 34 ) Page
| Part Number | Description | Datasheet | Configuration | If - Forward Current | Vrrm - Repetitive Reverse Voltage | Vf - Forward Voltage | Ifsm - Forward Surge Current | Ir - Reverse Current | Vr - Reverse Voltage |
|---|---|---|---|---|---|---|---|---|---|
| MBRAD10200H | Schottky Diodes & Rectifiers 10A, 200V, Schottky Rectifier | ![]() |
Single | 10 A | 200 V | 850 mV | 480 A | 10 uA | 140 V |
| MBRAD15100H | Schottky Diodes & Rectifiers 15A, 100V, Schottky Rectifier | ![]() |
Single | 15 A | 100 V | 810 mV | 450 A | 10 uA | 70 V |
| MBRAD15150H | Schottky Diodes & Rectifiers 15A, 150V, Schottky Rectifier | ![]() |
Single | 15 A | 150 V | 860 mV | 400 A | 10 uA | 105 V |
| MBRAD15200DH | Schottky Diodes & Rectifiers 15A, 200V, Schottky Rectifier | ![]() |
Dual Anode Common Cathode | 15 A | 200 V | 870 mV | 380 A | 10 uA | 140 V |
| MBRAD1545H | Schottky Diodes & Rectifiers 15A, 45V, Schottky Rectifier | ![]() |
Single | 15 A | 45 V | 550 mV | 450 A | 200 uA | 31 V |
| MBRAD1560H | Schottky Diodes & Rectifiers 15A, 60V, Schottky Rectifier | ![]() |
15 A | 60 V | 700 mV | 450 A | 100 uA | 42 V | |
| MBRAD20150H | Schottky Diodes & Rectifiers 20A, 150V, Schottky Rectifier | ![]() |
Single | 20 A | 150 V | 870 mV | 680 A | 10 uA | 105 V |
| MBRAD20200H | Schottky Diodes & Rectifiers 20A, 200V, Schottky Rectifier | ![]() |
Single | 20 A | 200 V | 900 mV | 540 A | 10 uA | 140 V |
| MBRAD2045H | Schottky Diodes & Rectifiers 20A, 45V, Schottky Rectifier | ![]() |
Single | 20 A | 45 V | 630 mV | 680 A | 100 uA | 31 V |
| MBRAD2060H | Schottky Diodes & Rectifiers 20A, 60V, Schottky Rectifier | ![]() |
Single | 20 A | 60 V | 700 mV | 680 A | 100 uA | 42 V |
Published: 2023-06-08
| Updated: 2023-07-20

