STMicroelectronics STSPIN948 Scalable Dual Full-Bridge Drivers
STMicroelectronics STSPIN948 Scalable Dual Full-Bridge Drivers are 4.5A devices for brushed DC motors or bipolar stepper motors. The power stage is designed with high dynamic performance, allowing users to achieve high-frequency PWM control with precise duty cycles. Each full-bridge is independent with an adjustable threshold current limiter and OFF-time with slow or mixed decay selection. Using an external shunt resistor, two amplifiers with fixed amplification factors provide current sensing. An adjustable slew rate guarantees the best trade-off between performances and EMI. The versatile power stage offers several ways of operation for a high level of flexibility. STMicroelectronics STSPIN948 provides a complete set of protection features, including overcurrent, overtemperature, and low bus voltage detection.
Features
- Operating voltage up to 58V
- Maximum output current up to 4.5ARMS
- 5x driving methods with full-bridge and dual half-bridge parallel mode
- RDS(ON) HS + LS = 0.36Ω typical
- Adjustable power MOS slew rate
- Integrated amplifiers with 2x different embedded current control techniques
- Adjustable OFF-time with slow or mixed decay
- Low consumption standby
- Protections
- UVLO
- Overcurrent protection
- Thermal shutdown
Applications
- Stage lighting
- Factory automation
- ATM and money-handling machines
- Textile machines
- Home appliances
- Robotics
- Antenna control
- Vending machines
Specifications
- 2.8V to 3.6V control logic supply voltage range
- 5.2V to 58V power stage supply voltage range
- 0.5V/µs maximum supply voltage gradient
- 3V typical bootstrap overdrive voltage
- -0.6V to +1V low-side source voltage range
- 0V to 5V logic input range
- Up to 4.5ARMS maximum DC output current
- Up to 8mA maximum open drain outputs sink current
- 10kΩ to 120kΩ current limiter time setting resistor range
- 0.1nF to 5.6nF current limiter time setting capacitor range
- 280ns minimum PWM pulse width
- 170µs typical charge pump capacitor charging time
- 0kHz to 500kHz switching frequency range
- 1µF typical bootstrap capacitor
- 100nF typical charge pump capacitor
- Temperature ranges
- -40°C to +85°C ambient
- -40°C to +150°C junction
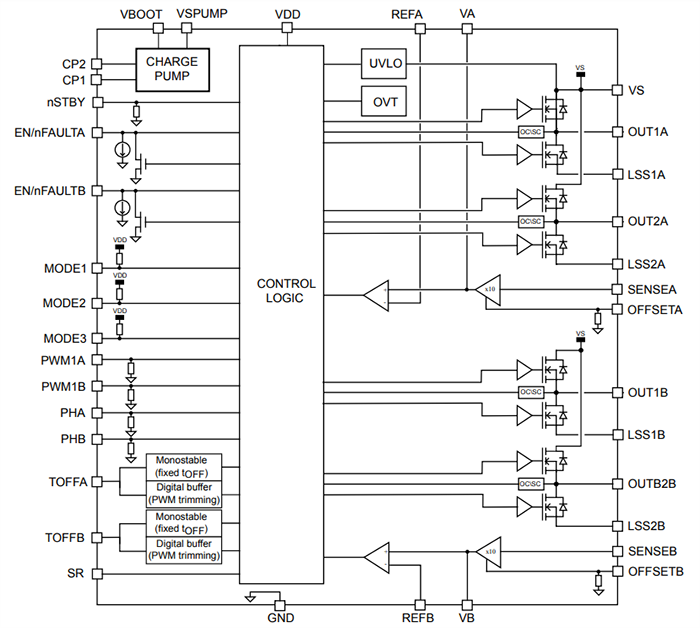
Block Diagram
