STMicroelectronics STM32L4Q5RGx Microcontrollers
STMicroelectronics STM32L4Q5RGx Microcontrollers are based on the high-performance Arm® Cortex®-M4 32-bit RISC core and operate at 120MHz frequency. These microcontrollers embed high-speed memories, a flexible external memory controller, two OCTOSPI flash memory interfaces, and an extensive range of enhanced I/Os and peripherals. The STM32L4Q5RGx MCUs support two Digital Filters for external Sigma-Delta Modulators (DFSDMs) and embed an AES and a PKA hardware accelerator. These microcontrollers feature standard and advanced communication interfaces, one camera interface, and one synchronous parallel data interface.The STM32L4Q5RGx MCUs operate at -40°C to 85°C/125°C temperature range and 1.71V to 3.6V power supply range. These arm microcontrollers feature Batch Acquisition Mode (BAM) and support touch key, linear, and rotary touch sensors. The STM32L4Q5RGx arm MCUs include true random generator, CRC calculation unit, and cryptographic acceleration.
Features
- Ultra-low-power with FlexPowerControl:
- Batch Acquisition Mode (BAM)
- Brownout Reset (BOR) in all modes except shutdown
- Arm® 32-bit Cortex®-M4 CPU with FPU and adaptive real-time accelerator
- Memories:
- 1-Mbyte Flash memory, 2 banks read-while-write, and proprietary code readout protection
- 320 Kbytes of SRAM including 64 Kbytes with hardware parity check
- External memory interface for static memories supporting SRAM, PSRAM, NOR, NAND, and FRAM memories
- 2 x Octo-SPI memory interfaces
- Cryptographic acceleration:
- AES (128/256-bit key)
- Public key accelerator
- True random generator
- CRC calculation unit
- HASH (SHA-256) hardware accelerator
- Debug mode:
- Serial Wire Debug (SWD)
- JTAG
- Embedded Trace Macrocell™ (ETM)
- 96-bit unique ID
- Energy benchmark:
- 285 ULPMark™CP score
- Up to 24 capacitive sensing channels:
- Support touch key, linear, and rotary touch sensors
- 23 communication peripherals
- Advanced graphics:
- Chrom-ART Accelerator (DMA2D) for enhanced graphic content creation
- LCD-TFT controller
Specifications
- 1.71V to 3.6V power supply
- -40°C to 85/125°C operating temperature range
- 150nA in VBAT mode
- 22nA shutdown mode
- 42nA standby mode
- 190nA standby mode with RTC
- 2.95μA stop 2 with RTC
- 110μA/MHz run mode
- 5µs wakeup from stop mode
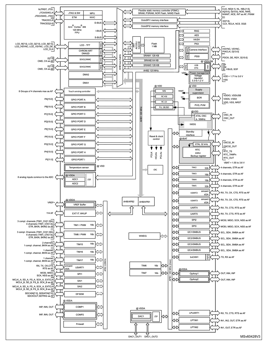
Block Diagram
Circuit Diagram
Additional Resource
Published: 2021-01-07
| Updated: 2022-03-11
