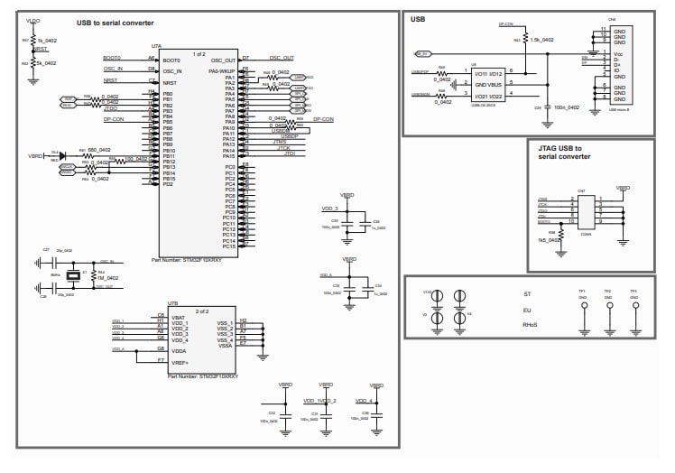
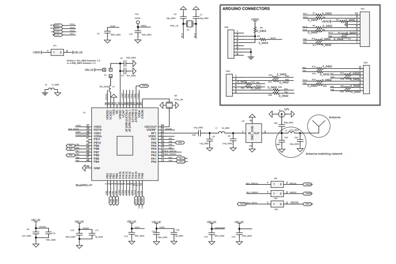
STMicroelectronics STEVAL-IDB011V1 Evaluation Board

STMicroelectronics STEVAL-IDB011V1 Evaluation Board evaluates the BlueNRG-LP System on chip (SoC) that helps to develop and test BLUETOOTH® low energy applications. This evaluation board supports master, slave, simultaneous master-and-slave roles, embedded CMISS-DAP debugger, and drag-and-drop programming. The ST STEVAL-IDB011V1 evaluation board features Arduino R3 connectors, a MEMS digital microphone, a MEMS digital temperature/pressure sensor, and a MEMS digital accelerometer/gyroscope. Typical applications include industrial and home automation, smart lighting, fitness, wellness, sports, healthcare, consumer medical, watches, security/proximity, remote control, mobile phone peripherals, and PC peripherals.

Features

  • Low power consumption
  • Three user LEDs and two user buttons
  • RoHS compliant
  • Evaluates BlueNRG-LP SoC
  • Arduino R3 connectors
  • Embedded CMISS-DAP debugger and drag-and-drop programming

Applications

  • Industrial
  • Home and industrial automation
  • Smart lighting
  • Fitness, wellness, and sports
  • Healthcare and consumer medical
  • Watches
  • Security/proximity
  • Remote control
  • Assisted living
  • Mobile phone peripherals
  • PC peripherals

Specifications

  • Excellent receiver sensitivity
    • -96dBm at 1Mbps
    • -103dBm at 125Mbps
  • Up to 8dBm programmable output power

Content Stream

STMicroelectronics STEVAL-IDB011V1 Evaluation Board

Videos

Schematic Diagrams

Published: 2020-09-07 | Updated: 2025-01-13