STMicroelectronics EV-VNQ9025AJ Evaluation Board

STMicroelectronics EV-VNQ9025AJ Evaluation Board is designed to provide an easy way to connect the VNQ9025AJ quad-channel high-side driver to the existing system. This eval board comes pre-assembled with the VNQ9025AJ driver and features a minimum set of onboard components for directly connecting the load, power supply, and microcontroller. The VNQ9025AJ quad-channel high-side driver is designed to drive 12V automotive grounded loads through a 3V and 5V CMOS compatible interface, providing protection and diagnostics. The protection features include undervoltage shutdown, overvoltage clamp, load current limitation, loss of ground and loss of VCC, and electrostatic discharge. Applications include automotive resistive, inductive, and capacitive loads, protected supply for ADAS systems such as radars and sensors, and P27W or SAE1156 automotive lamps.

Features

  • Extreme low voltage operation for deep cold cranking applications
  • Quad-channel smart high-side driver with current sense analog feedback
  • Very low standby current
  • Compatible with 3V and 5V CMOS outputs
  • Current sense diagnostic functions:
    • Multiplexed analog feedback of load current with high precision proportional current mirror
    • Overload and short-to-ground (power limitation) indication
    • Thermal shutdown indication
    • OFF-state open-load detection (with external pull-up)
    • Output short to VCC detection
    • Sense enable/disable
  • Protections:
    • Undervoltage shutdown
    • Overvoltage clamp
    • Load current limitation
    • Self-limiting of fast thermal transients
    • Configurable latch-off on overtemperature or power limitation with a dedicated fault reset pin
    • Loss of ground and loss of VCC
    • Reverse battery through self turn-on
    • Electrostatic discharge protection

Applications

  • Automotive resistive, inductive, and capacitive loads
  • Protected supply for ADAS systems such as radars and sensors
  • P27W or SAE1156 automotive lamps

Evaluation Board Connections

STMicroelectronics EV-VNQ9025AJ Evaluation Board

Board Schematics

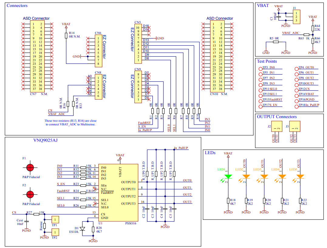
Schematic - STMicroelectronics EV-VNQ9025AJ Evaluation Board
Published: 2023-05-15 | Updated: 2023-06-13