Same Sky PTN06 6mm Rotary Precision Potentiometers

Same Sky PTN06 6mm Rotary Precision Potentiometers feature a 6mm carbon element housed in a dust-proof enclosure with multiple rotor and taper options. Taper options include linear, logarithmic, and reverse logarithmic. The vertical or horizontal-orientated PTN06 potentiometers range in resistance from 1.0kΩ to 2000kΩ with ±10% or ±20% standard tolerance options. The Same Sky PTN06 shaftless potentiometers carry an operating temperature range from -10°C to +70°C and a rotational life of 10,000 cycles.

Features

  • 6mm carbon element
  • Dust-proof enclosure
  • Through-hole mounting
  • Multiple rotor options
  • Linear, logarithmic, and reverse logarithmic tapers
  • Shaftless style
  • No detent or bushing
  • RoHS compliant

Specifications

  • 200VDC maximum operating voltage
  • 0.15W maximum power rating at +70°C
  • 1.0kΩ to 2000kΩ standard resistance range
  • ±10% or ±20% standard resistance tolerance options
  • 10Ω maximum residual resistance
  • 68mV maximum sliding noise
  • -10°C to +70°C operating temperature range
  • +350°C maximum hand soldering temperature for 3s maximum
  • +255°C to +265°C wave soldering temperature range, +260°C typical (for 5s ±1s)
  • Mechanical
    • 225° to 245° mechanical angle range, 235° typical
    • 10gf-cm to 80gf-cm rotational torque
    • 400gf-cm minimum stop strength
    • 10,000-cycle rotational life
    • 0.18g to 0.19g weight range

Rotor Types

Mechanical Drawing - Same Sky PTN06 6mm Rotary Precision Potentiometers

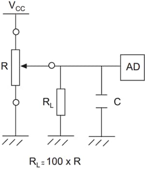
Recommended Circuit

Same Sky PTN06 6mm Rotary Precision Potentiometers
Published: 2023-01-04 | Updated: 2024-09-24