ROHM Semiconductor BM1Q0xAFJ-LBE2 Quasi-Resonant DC/DC Converter ICs

ROHM Semiconductor BM1Q0xAFJ-LBE2 Quasi-Resonant DC/DC Converter ICs provide long-time support for industrial applications and optimal systems for electrical outlets. These ICs feature a built-in 650V tolerate starter circuit that contributes to low standby power and high-speed startup. When the ICs are light-loaded, the standby power is reduced due to the built-in burst operation function and the lower current consumption of the ICs. The BM1Q0xAFJ-LBE2 converter ICs include built-in protection functions such as soft start function, over-current protection per cycle, over-voltage protection, overload protection, and CS pin open protection. Typical applications include industrial equipment, air conditioners, AC adapters, and TVs.

Features

  • Long-time support product for industrial applications
  • Quasi-resonant system
  • Built-in 650V tolerate starter circuit
  • Burst operation at light load/frequency reduction function
  • 120kHz maximum frequency
  • AC input voltage correction circuit
  • VCC pin under voltage protection
  • VCC pin over-voltage protection
  • Over current protection circuit per cycle
  • Output driver 12V clamp circuit
  • Soft start function
  • ZT pin trigger mask function
  • ZT pin over-voltage protection
  • Output overload protection (auto-restart)
  • CS pin open protection circuit (auto-restart)

Specifications

  • Operating power supply voltage range:
    • 8.9V to 26V VCC
    • -0.3V to 650V VH
  • 600μA typical current at switching operation
  • 350μA typical current at burst operation
  • -40°C to 105°C operating temperature range
  • 4.9mm x 6mm x 1.65mm size
  • SOP-J7S package

Applications

  • Industrial equipment
  • Air conditioners
  • AC adapters
  • TVs

Typical Application Circuit Diagram

Application Circuit Diagram - ROHM Semiconductor BM1Q0xAFJ-LBE2 Quasi-Resonant DC/DC Converter ICs

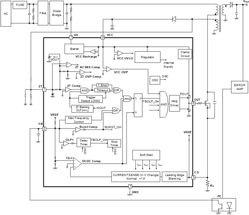
Block Diagram

Block Diagram - ROHM Semiconductor BM1Q0xAFJ-LBE2 Quasi-Resonant DC/DC Converter ICs

Application Schematic Diagram

Schematic - ROHM Semiconductor BM1Q0xAFJ-LBE2 Quasi-Resonant DC/DC Converter ICs
Published: 2024-05-24 | Updated: 2024-06-12