Analog Devices Inc. ADL8103-EVALZ Evaluation Board

Analog Devices Inc. ADL8103-EVALZ Evaluation Board is a user-friendly platform that evaluates the ADL8103 broadband, low-noise amplifier operating from 6GHz to 12GHz. The Analog Devices ADL8103-EVALZ board is optimized for performance testing and characterization, featuring a 2-layer printed circuit board with 50Ω RF input and output traces, SMA connectors for easy interfacing, and a robust layout that ensures minimal signal loss and distortion. The board includes biasing circuitry that allows for flexible supply voltage configurations, making it suitable for various RF applications. A compact design and straightforward setup make the evaluation board ideal for engineers and designers looking to integrate the ADL8103 into systems or assess its capabilities in lab environments.

Features

  • 4-layer Rogers 4350B and Isola 370HR evaluation board
  • End launch, 2.92mm female RF connectors
  • Through calibration path (depopulated)
  • 50Ω RF input and output traces
  • -55°C to +125°C operating temperature range

Applications

  • Test instrumentation
  • Military communications
  • Radar

Required Equipment

  • RF signal generator
  • RF spectrum analyzer
  • 20dB, 1W RF attenuator
  • 20dB RF coupler (optional)
  • RF power meter and power sensor (optional)
  • RF network analyzer
  • 5V, 300mA power supply

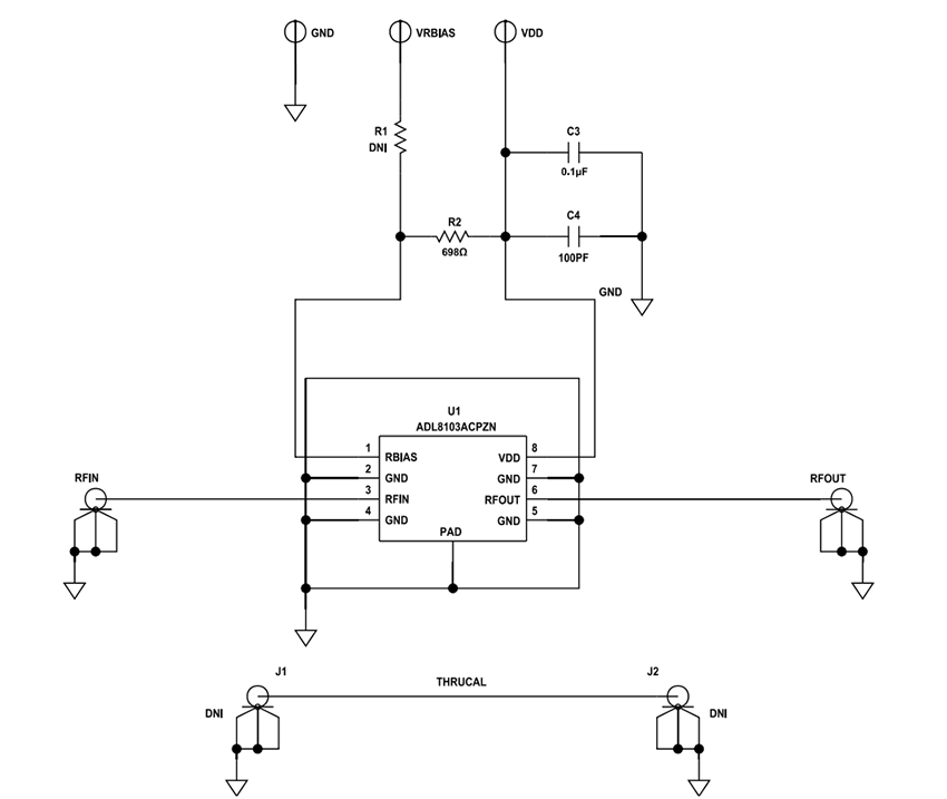
Schematic

Schematic - Analog Devices Inc. ADL8103-EVALZ Evaluation Board

Test Setup Diagrams

Mechanical Drawing - Analog Devices Inc. ADL8103-EVALZ Evaluation Board
Published: 2025-05-23 | Updated: 2025-05-28