Renesas Electronics ICL3221E RS-232 Interface ICs
Renesas Electronics ICL3221E RS-232 Interface ICs is 3.0V to 5.5V powered RS-232 transmitters/receivers that meet ElA/TIA-232 and V.28/V.24 specifications, even at VCC=3.0V. Additionally, the devices provide ±15kV ESD protection (IEC61000-4-2 Air Gap and Human Body Model) on transmitter outputs and receiver inputs (RS-232 pins).The ICL3221E features an automatic power-down function that powers down the on-chip power supply and driver circuits. Power-down occurs when an attached peripheral device is shut off or the RS-232 cable is removed, which conserves system power automatically without changes to the hardware or operating system. These devices power up again when a valid RS-232 voltage is applied to any receiver input.
Features
- ESD protection for RS-232 I/O pins to ±15kV (IEC61000)
- Drop-in replacement for the MAX3221E
- Low-power, pin-compatible upgrade
- RS-232 compatible with VCC=2.7V
- Meets EIA/TIA-232 and V.28/V.24 specifications at 3V
- Latch-up free
- On-chip voltage converters require only four external 0.1µF capacitors at VCC=3.3V
- Manual and automatic power-down features
- Receiver hysteresis for improved noise immunity
- 250kbps Ensured minimum data rate
- Single +3V to +5.5V wide power supply range
- 1µA Low supply current in power-down state
- Pb-free (RoHS compliant)
Applications
- Any system requiring RS-232 communication ports
- Battery powered, hand-held, and portable equipment
- Laptop computers and notebooks
- Modems, printers, and other peripherals
- Digital cameras
- Cellular/mobile phones
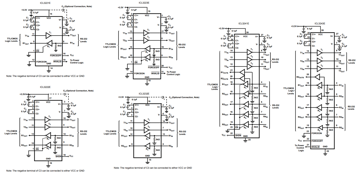
Typical Operating Circuits
Related Content
Published: 2020-03-17
| Updated: 2024-07-09
