Renesas Electronics VersaClock® 6E Programmable Clock Generators
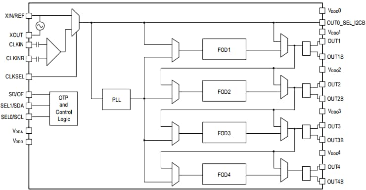
Renesas Electronics VersaClock® 6E Programmable Clock Generators are designed for high-performance networking, computing, industrial, consumer, and data communication applications. These sixth-generation clock generators store the configurations in on-chip One-Time Programmable (OTP) memory or can be changed using an I2C interface. The VersaClock 6E programmable clock generators feature flexible power rails, four banks of internal OTP memory, an I2C serial programming interface, and four universal, individually configurable output pairs. A single reference clock generates the frequencies, which can come with one or two redundant clock inputs. During normal operation, a glitchless manual switchover function allows one of the redundant clocks to be selected. These clock generators can be configured to use one of two I2C addresses so that multiple devices can be used in a system. The devices are ideal for processor and FPGA clocking, any-frequency clock conversion, telecom line cards, laser distance sensing, and multi-function printers.Features
- 1.8V, 2.5V, and 3.3V flexible power-rails
- Low phase noise PLL
- Up to 0.5ps RMS typical phase jitter on outputs
- Four banks of internal OTP memory
- In-system or factory programmable
- 2 select pins accessible with processor GPIOs or bootstrapping
- I2C serial programmable interface
- Reference LVCMOS output clock
- Four individually configurable universal output pairs
- Redundant clock inputs with manual switchover
- Output frequency ranges
- 1kHz to 200MHz for LVCMOS clock outputs
- 1kHz to 350MHz for LVDS, LVPECL, and HCSL differential clock outputs
- Programmable output enable or power-down mode
- Available in 4mm x 4mm 24-VFQFPN package
- -40°C to +85°C industrial temperature operation
Applications
- Ethernet switch/routers
- PCI express 1 to 4
- Broadcast video/audio timing
- Multi-function printers
- Processor and FPGA clocking
- Any-frequency clock conversion
- Fiber channel, SAN
- Telecom line cards
- Laser distance sensing
- Data centers
Block Diagram
Videos
Published: 2018-01-17
| Updated: 2023-07-11
