RECOM Power RPxx-RAW Series DC-DC Converters

RECOM Power RPxx-RAW Series DC-DC Converters offer an ultra-wide 4:1 input range of 36VDC to 160VDC and a 3kVAC/1min reinforced isolation rating. These converters feature remote on/off, input undervoltage lockout and overvoltage, short-circuit, and overload relay protection. RPxx-RAW converters are suitable for 72VDC, 96VDC, and 110VDC railway systems and are also built for non-railway high-voltage battery applications. RECOM Power RPxx-RAW Series DC-DC Converters are available in an industry-standard, compact DIP24 package and operate in a -40°C to +105°C temperature range.

Features

  • Ultra-wide 4:1 input range
  • Input undervoltage lockout
  • Overvoltage protection
  • Short-circuit protection
  • Overload relay protection
  • Remote on/off

Applications

  • Railway systems
  • Battery management systems
  • IoT sensors
  • Electric forklift trucks
  • High-voltage battery applications

Specifications

  • 3kVAC/1min reinforced isolation
  • -40°C to +105°C operating temperature range without derating
  • Compact DIP24 package
  • Certified for railway applications (EN50155)

ON/OFF CONTROL

RECOM Power RPxx-RAW Series DC-DC Converters

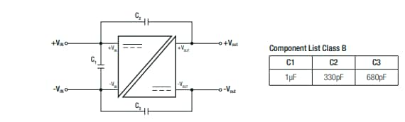
EMC Filtering Suggestions per EN5503/35

RECOM Power RPxx-RAW Series DC-DC Converters

Videos

Published: 2022-11-18 | Updated: 2024-03-22