Qorvo RFSW1012 Broadband SPDT Switches

Qorvo RFSW1012 Broadband SPDT Switches are single‑pole double‑throw (SPDT) switches engineered for applications that demand very low insertion loss and robust power‑handling performance. Operating across wide frequency ranges (5MHz to 6000MHz for 50Ω, 5MHz to 2500MHz for 75Ω), the Qorvo RFSW1012 switches deliver key RF advantages such as a typical insertion loss of 0.30dB at 1980MHz, high isolation of 37dB at 2GHz, and excellent linearity with an IP3 greater than 75dBm.

This design eliminates the need for external DC‑blocking capacitors on RF paths unless DC is externally applied, and it incorporates a 2000V HBM ESD rating for enhanced durability. These switches are well‑suited for LTE, WCDMA, CDMA, CATV, SATV, post‑PA routing, and general‑purpose RF switching applications. Packaged in a compact 2mm × 2mm × 0.55mm 12‑pin QFN, the RFSW1012 is ideal for space‑constrained designs that demand high performance and versatility.

Features

  • 5MHz to 6000MHz operation
  • 50Ω or 75Ω applications
  • Low 0.30dB insertion loss at 1980MHz
  • High 37dB isolation at 2GHz
  • High >75dBm IP3 at 2GHz
  • Compatible with low voltage logic (VHIGH minimum = 1.3V)
  • No external DC blocking capacitors required on RF paths unless DC is applied externally
  • 2000V HBM ESD rating on all ports
  • >100dBc CTB/CSO (41dBmV/ch., 137 channels)
  • 12-pin 2mm x 2mm leadless QFN package

Applications

  • LTE, WCDMA, and GSM
  • CATV and SATV
  • Post PA switching
  • General-purpose switching

Specifications

  • 50Ω systems
    • 5MHz to 6000MHz operational frequency range
    • 0.25dB to 0.45dB typical insertion loss range
    • 21dB to 45dB typical RFC-RFX isolation range
    • 21dB to 42dB typical RF1-RF2 isolation range
    • >15dB typical on-state return loss
    • 75dBm typical input IP3
    • 129dBm typical input IP2
    • 30dBm to 36dBm maximum operating pin range with a 50Ω load
    • 41dBm minimum P0.1dB at >100MHz
    • -75dBc maximum second and third harmonics
    • <-105dBm to <-100dBm typical spurious output range
    • 34dBm to 36dBm maximum input power range
    • 2.7V to 4.6V device voltage range
    • 20µA to 200µA maximum leakage current range
    • 0.45V to 2.7V maximum control voltage range
    • 3µA to 5µA maximum control current range
    • 5µs maximum switching speed
  • 75Ω systems
    • 5MHz to 2500MHz operational frequency range
    • 0.15dB to 0.45dB typical insertion loss range
    • 26dB to 70dB typical RFC-RFX isolation range
    • 32dB to >70dB typical RF1-RF2 isolation range
    • >13dB to >15dB typical on-state return loss range
    • >100dBc typical CSO (41dBmV/ch, 137 channels)
    • >100dBc typical CTB (41dBmV/ch, 137 channels)
    • >90dBc typical XMOD (41dBmV/ch, 137 channels)
    • 30dBm to 36dBm maximum operating input power range with a 75Ω load
  • -40°C to +90°C operating case temperature range
  • +125°C maximum operating junction temperature

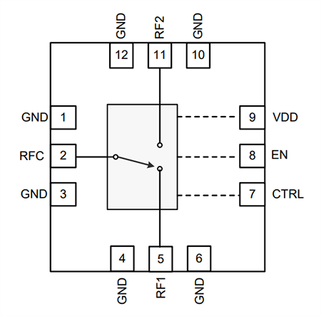
Block Diagram

Block Diagram - Qorvo RFSW1012 Broadband SPDT Switches

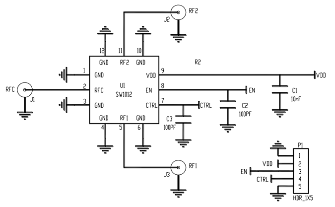
Application Circuit Schematic

Application Circuit Diagram - Qorvo RFSW1012 Broadband SPDT Switches
Published: 2026-01-19 | Updated: 2026-01-26