Qorvo QPD1029L GaN RF IMFET Transistor

Qorvo QPD1029L GaN RF Internally Matched FET (IMFET) Transistor is a 1500W (P3dB) discrete GaN on SiC High Electron Mobility Transistor (HEMT). This RF IMFET operates between a 1.2GHz to 1.4GHz frequency range. The QPD1029L transistor provides ease of external board match and saves board space. This Qorvo transistor is a RoHS-compliant device. The QPD1029L IMFET transistor device is used in an industry-standard air cavity package and is ideally suited for radar.

Features

  • 1.2GHz to 1.4GHz frequency range
  • 1500W output power (P3dB) at 1.3GHz load pull  
  • 21.3dB linear gain at 1.3GHz load pull  
  • 75% typical PAE3dB at 1.3GHz load pull
  • 65V operating voltage
  • Continuous wave (CW) and pulse capable

Applications

  • L-band radar-amplifier
  • Radar

Block Diagram

Block Diagram - Qorvo QPD1029L GaN RF IMFET Transistor

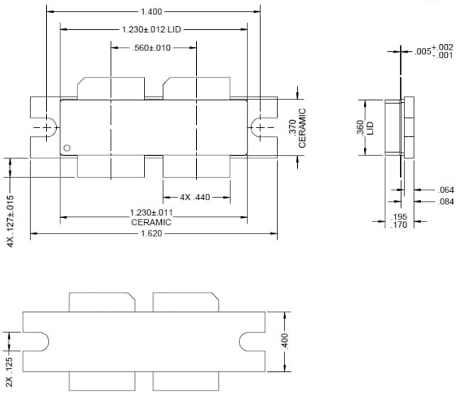
Mechanical Drawing (inches)

Mechanical Drawing - Qorvo QPD1029L GaN RF IMFET Transistor
Published: 2020-07-20 | Updated: 2024-08-23