Power Integrations SCALE™-2+ Dual-Core Gate Drivers

Power Integrations SCALE™-2+ Dual-Core Gate Drivers feature the SCALE-2+ chipset, offering compactness with broad applicability. The 2SC0108T2D2-12 and 2SC0108T2D0C-12 (coated version using ELPEGUARD SL 1307 FLZ/2 from Lackwerke Peters) are designed for universal applications requiring high reliability. These devices drive all standard IGBT modules up to 1200V. The embedded paralleling capability allows easy inverter design covering higher power ratings. Multi-level topologies are also supported. EMC provides safe and reliable operation in even demanding industrial applications.

The SCALE™-2+ Dual-Core Gate Drivers offer a footprint measuring 45mm x 34.3mm with an insertion height of 16mm maximum. These drivers combine a complete two-channel driver core with all components required for driving, such as an isolated DC/DC converter, short-circuit protection, advanced active clamping, and supply voltage monitoring. Each of the two output channels is electrically isolated from the primary side and the other secondary channel.

An 8A output current and 1W drive power are available per channel. The drivers provide a gate voltage swing of +15V/-8V with a regulated turn-on voltage that maintains a stable 15V no matter the output power level.

Features

  • Implemented in all existing popular gate driver cores, delivering upwards compatible, lead-free versions with improved EMC performance
  • In the 2SC0106T2A1 and 2SC0108T versions, soft shutdown (SSD) can be activated
  • Available in gate drivers with IGBT blocking voltages from 600V up to 4.5kV
  • Very fast (>10ns)
  • Very low jitter of 1n
  • Low couple capacity
  • High di/dt ruggedness
  • Integrated secondary side voltage controller
  • +15V gate-Emitter clamping
  • Lower IGBT short circuit energy
  • Programmable full bride or direct mode
  • Common failure output
  • Under voltage lock-off primary side
  • Under voltage lock-off secondary side for positive and negative supply voltage
  • Embedded DC/DC controller with DC/DC soft starter
  • 3.3V to 15V PWM input
  • Reinforced galvanic isolation according to IEC60664-1

Applications

  • General-purpose drives
  • Uninterruptible power supplies (UPS)
  • Solar and wind power converters
  • Auxiliary converters for traction
  • Electro/hybrid drive vehicles
  • Driving parallel-connected IGBTs
  • Switched-mode power supplies (SMPS)
  • Medical (MRT, CT, X-Ray)
  • Laser technology

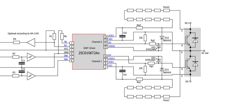
Schematic

Schematic - Power Integrations SCALE™-2+ Dual-Core Gate Drivers
Published: 2016-06-06 | Updated: 2024-06-05