onsemi NL37WZ04 Triple Inverter Logic Gates
onsemi NL37WZ04 Triple Inverter Logic Gates are high-performance triple inverters operating from a 1.65V to 5.5V supply. High-impedance TTL-compatible inputs significantly reduce current loading to input drivers, while TTL-compatible outputs offer improved switching noise performance. These devices provide fast switching speeds and low power consumption.Features
- Designed for 1.65V to 5.5V VCC operation
- 2.3ns tPD at VCC = 5V typical
- Inputs/outputs overvoltage tolerant up to 5.5V
- IOFF supports partial-power-down protection
- 24mA source/sink at 3.0V
- ±100mA latch-up performance
- -55°C to +125°C operating temperature range
- Available in US8, UDFN8, and UQFN8 packages
- Chip complexity < 100 FETs
- Moisture Sensitivity Level (MSL) 1
- UL 94V-0 flammability rating
- -Q suffix for automotive and other applications requiring unique site and control change requirements, AEC-Q100 qualified and PPAP capable
- Lead-free, Halogen-free/BFR-free, and RoHS-compliant
Applications
- Signal conditioning
- Level shifting
- Digital logic circuits
- Control systems
- Oscillator circuits
- Power management
- Signal isolation
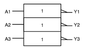
Logic Symbol
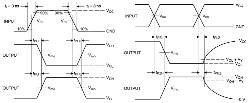
Switching Waveforms
Published: 2024-10-25
| Updated: 2024-11-13
