onsemi NFAM3512L7B Intelligent Power Module (IPM)

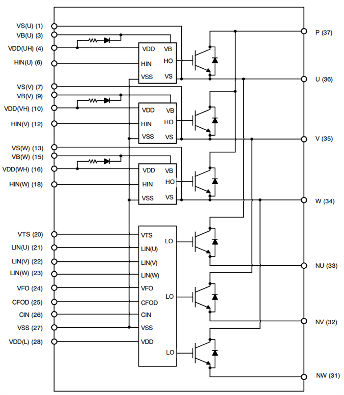
onsemi NFAM3512L7B Intelligent Power Module (IPM) provides a fully-featured, high-performance inverter output stage for AC induction, BLDC, and PMSM motors. This module integrates an optimized gate drive (of the built-in IGBTs) to minimize EMI and losses while providing multiple on-module protection features, including under-voltage lockouts, over-current shutdown, thermal monitoring of the drive IC, and fault reporting. A built-in, high-speed HVIC requires a single supply voltage and translates the incoming logic-level gate inputs to the high-voltage, high-current drive signals required to drive the module's internal IGBTs properly. Separate negative IGBT terminals are available for each phase to support various control algorithms.

Features

  • 1200V, 35A 3-phase FS7 IGBT inverter, including control ICs for gate drive and protections
  • Very low thermal resistance using Al2O3 DBC substrate
  • Active logic interface
  • Built-in Under-Voltage Protection (UVP)
  • Built-in bootstrap diodes/resistors
  • Separate low-side IGBT emitter connections for individual current sensing of each phase
  • Temperature sensor (TSU Output by LVIC)
  • DIP39, 31.0mm x 54.5mm package
  • E209204 UL certification
  • Lead-free

Applications

  • Industrial drives
  • Industrial pumps
  • Industrial fans
  • Industrial automation

Specifications

  • 600V typical supply voltage
  • 13.5V to 16.5V control supply voltage range
  • 13.0V to 18.5V high-side bias voltage range
  • ±1V/µs control supply variation
  • 2.0µs minimum blanking time for preventing arm-short
  • 2.0kHz to 20kHz PWM input signal range
  • 18.2ARMS to 27.5ARMS allowable current range
  • 1.0µs to 2.0µs minimum input pulse width
  • 0.6Nm to 0.9Nm package mounting torque, M3 type screw
  • -40°C to +150°C operating junction temperature range
  • Inverter
    • 1mA to 10mA maximum collector-emitter leakage current
    • 1.6V to 1.9V typical collector-emitter saturation voltage
    • 1.7V to 1.8V typical forward voltage
    • 0.17µs to 1.60µs high side switching time range
    • 0.22µs to 1.70µs low side switching time range
  • Bootstrap
    • 2.1V to 2.9V diode forward current
    • 12.5Ω to 18.5Ω built-in limiting resistance
  • Control
    • Maximum VDD supply current
      • 0.3mA to 2.0mA quiescent
      • 0.4mA to 5.0mA operating
    • Maximum VBS supply current
      • 0.3mA quiescent
      • 3.5mA operating
    • 2.6V maximum ON threshold voltage
    • 0.8V minimum OFF threshold voltage
    • 0.46V to 0.50V over current trip level
    • Supply circuit under-voltage protection
      • 10.0V to 12.5V detection level
      • 10.5V to 13.0V reset level
    • 1.12mV to 1.38mV voltage output for LVIC temperature sensing unit
    • 0.95V to 4.9V fault output voltage
    • 2.4ms typical fault-out pulse width

Internal Block Diagram

Block Diagram - onsemi NFAM3512L7B Intelligent Power Module (IPM)
Published: 2023-12-18 | Updated: 2025-06-16