onsemi NCD57001FDWR2G Isolated IGBT Gate Drivers

onsemi NCD57001FDWR2G Isolated High-Current IGBT Gate Drivers are single-channel IGBT drivers with internal galvanic isolation designed for high system efficiency and reliability. This gate driver features complementary inputs, open-drain FAULT and Ready outputs, active Miller clamp, accurate undervoltage lockouts (UVLOs), DESAT protection, and soft turn-off at DESAT. onsemi NCD57001FDWR2G gate drivers accommodate 5V and 3.3V signals on the input side and a wide bias voltage range on the driver side, including negative voltage capability. This gate driver provides >5kVrms (UL1577 rating) galvanic isolation and >1200Viorm (working voltage) capabilities. Typical applications include solar inverters, motor control, uninterruptible power supplies (UPS), industrial power supplies, and welding.

Features

  • +4/-6A high current output at IGBT Miller Plateau voltages
  • Low output impedance for enhanced IGBT driving
  • Short propagation delays with accurate matching
  • Active Miller clamp to prevent spurious gate turn-on
  • DESAT protection with programmable delay
  • Negative voltage (down to -9V) capability for DESAT
  • Soft turn-off during IGBT short circuit
  • IGBT gate clamping during short circuit
  • IGBT gate active pull-down
  • Tight UVLO thresholds for bias flexibility
  • Wide bias voltage range including negative VEE2
  • 3.3V to 5V input supply voltage range
  • Designed for AEC-Q100 certification
  • 5000V galvanic isolation (to meet UL1577 requirements)
  • 1200V working voltage (per VDE0884-10 requirements)
  • High transient immunity
  • High electromagnetic immunity
  • Lead-free, halogen-free, and RoHS compliant

Applications

  • Solar inverters
  • Motor control
  • UPS
  • Industrial power supplies
  • Welding

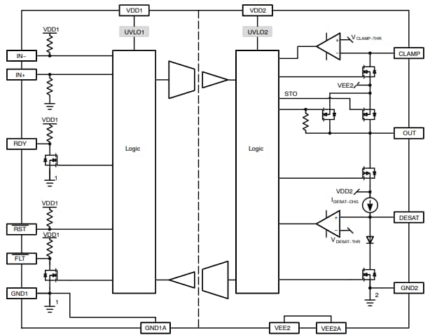
Block Diagram

Block Diagram - onsemi NCD57001FDWR2G Isolated IGBT Gate Drivers

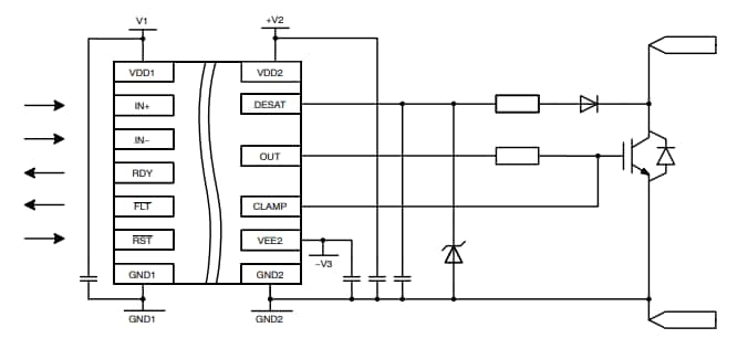
Application Schematic

Application Circuit Diagram - onsemi NCD57001FDWR2G Isolated IGBT Gate Drivers
Published: 2020-06-01 | Updated: 2024-06-06