onsemi MT9M114 Digital Image Sensor Eval Board
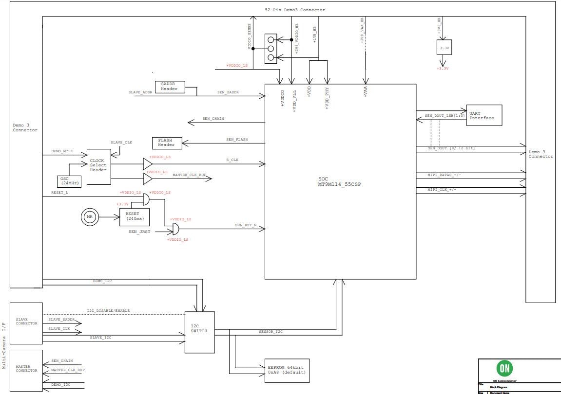
onsemi MT9M114EBLSTCZH3-GEVB is an evaluation board for the MT9M114 1/6-inch high-definition System-On-a-Chip (SOC) digital image sensor. The 1.26Mp MT9M114 CMOS sensor provides an active-pixel array of 1296H x 976V designed for low-light performance. The sensor offers sophisticated camera functions, including auto-exposure control, auto-white balance, black-level control, flicker avoidance, and defect correction. The MT9M114 delivers extraordinarily clear, sharp digital pictures. Its features make the MT9M114 an ideal choice for many applications, including mobile phones, PC and notebook cameras, and gaming systems. Designed specifically for the MT9M114 digital image sensor, the onsemi MT9M114EBLSTCZH3-GEVB headboard (HB) supports a direct plug-in to the Demo 2X system. The evaluation board features clock input, 2-wire serial interface, parallel interface, and MIPI interface. These HB features are accessible through test points and jumpers on the board.MT9M114 Digital Image Sensor Eval Board Block Diagram
Published: 2017-05-15
| Updated: 2022-03-11
