onsemi / Fairchild FOD0721/0720/0710 Logic Gate Optocouplers

onsemi / Fairchild FOD0721/0720/0710 Logic Gate Optocouplers achieve a guaranteed minimum of 20kV/µs CMR rating through the devices' Optoplanar® coplanar packaging technology. These ICs feature a compact design, with high-speed AlGaAs LED, high-speed transimpedance amplifier, and pulse width distortion. The CMOS technology, coupled with the high efficiency of the LED, achieves low power consumption as well as high speed. The FOD0721/0720/0710 logic gate optocouplers are ideal for the isolated data acquisition system, programmable logic control, and industrial Fieldbus communications.

Features

  • Optimized IC design
  • High-speed ALGaAs LED
  • 20kV/µs minimum Common Mode Noise Rejection (CMR)
  • 40ns maximum propagation display
  • Data rate, non-return zero coding
  • 6ns pulse width distortion
  • +5V CMOS compatibility
  • -40°C to 100°C extended industrial temperate range

Applications

  • Industrial Fieldbus communications
    • Profibus
    • DeviceNet
    • CAN
    • RS485
  • Programmable logic control
  • Isolated data acquisition system

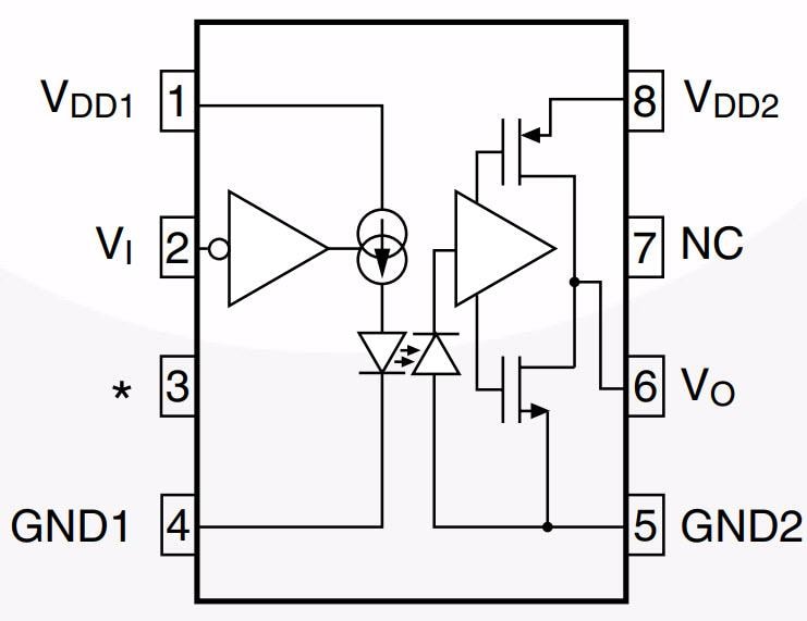
Functional Schematic

Schematic - onsemi / Fairchild FOD0721/0720/0710 Logic Gate Optocouplers
Published: 2008-06-19 | Updated: 2024-10-31