Monolithic Power Systems (MPS) MPQ6600L-AEC1 Stepper Motor Drivers
Monolithic Power Systems (MPS) MPQ6600L-AEC1 Stepper Motor Drivers are devices with current regulation and a built-in translator. These drivers provide internal current sensing without requiring external sense resistors. The MPQ6600L-AEC1 drivers operate at up to 35V supply voltage and can deliver motor currents up to 1.5A based on the PCB design and thermal conditions. These stepper motor drivers with high integration and a small package size are cost-effective solutions for bipolar stepper motor drives. The MPQ6600L-AEC1 motor drivers are available in a QFN-24 (4mm x 4mm) package with wettable flanks and are AEC-Q100 qualified. These stepper motor drivers are suitable for bipolar stepper motors and printers.The MPQ6600L-AEC1 drivers can operate a bipolar stepper motor in full-, half-, quarter-, or eighth-step mode. These stepper motor drivers' internal safety features include Overcurrent Protection (OCP), input Over-Voltage Protection (OVP), Under-Voltage Lockout (UVLO), and thermal shutdown.
Features
- 4.5V to 35V wide input voltage (VIN) range
- Two internal full-bridge drivers
- Internal current sensing and regulation
- Low on-resistance (RDS(ON)):
- 195mΩ HighSide MOSFET (HS-FET) and 170mΩ LowSide MOSFET (LS-FET)
- No control power supply required
- Simple logic interface
- 3.3V and 5V compatible logic supply
- Step modes from full-step to eighth-step
- Automatic current decay
- Up to 1.5A of output current (IOUT)
- Over-Current Protection (OCP)
- Input Over-Voltage Protection (OVP)
- Thermal shutdown and Under-Voltage Lockout (UVLO) protection
- Fault indication output
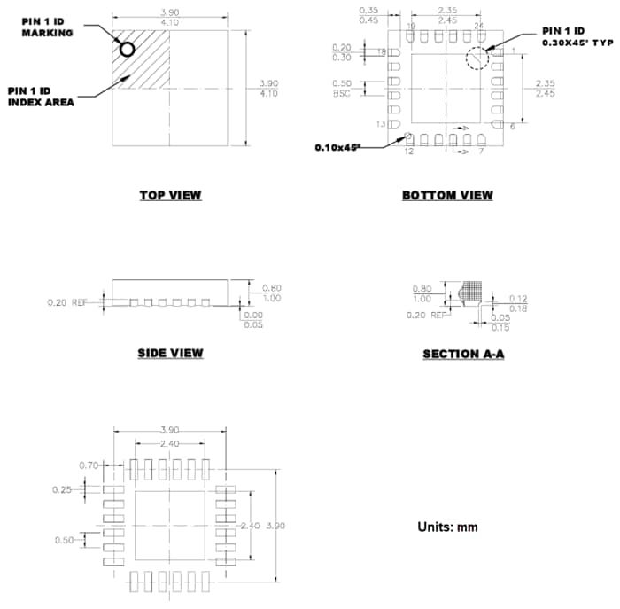
- Available in a QFN-24 (4mm x 4mm) package with wettable flanks
- Available in AEC-Q100 Grade-1
Applications
- Bipolar stepper motors
- Printers
Block Diagram
Application Diagram
Mechanical Diagram
Published: 2025-03-25
| Updated: 2025-06-29
