Monolithic Power Systems (MPS) MPQ3369 Step-Up Converter

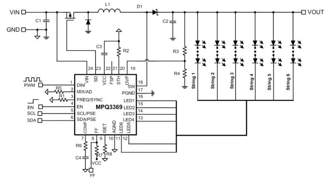
Monolithic Power Systems (MPS) MPQ3369 Step-Up Converter is designed to drive white LED arrays as backlighting for small- or medium-sized LCD panels. This step-up converter features six-channel current sources that are applied to the LED cathode to adjust the LED brightness. The MPQ3369 utilizes peak current mode as its PWM control architecture to regulate the boost converter and regulates the current in each LED string to the value set via an external current-setting resistor with 2.5% current regulation accuracy between strings. Protections include overcurrent (OCP), overvoltage (OVP), overtemperature (OTP), and LED short and open protection. MPS MPQ3369 Step-Up Converter is available in a QFN-24 (4mm x 4mm) package. Typical applications include tablets, notebooks, and automotive displays.

Features

  • 3.5V to 36V input voltage range
  • 6 channels with maximum 100mA per channel
  • Internal 100mΩ and 50V MOSFET
  • Up to 2.2MHz configurable switching frequency
  • External sync SW function
  • Multi-dimming operation mode through PWM input, including:
    • Direct PWM dimming
    • Analog dimming
    • Mix dimming with 25% or 12.5% transfer point
  • 15000:1 dimming ratio in PWM dimming at fPWM ≤200Hz
  • 200:1 dimming ratio at analog dimming through PWM dimming signal input
  • Excellent EMI performance and frequency spread spectrum
  • I2C interface
  • Phase-shift function for PWM dimming
  • 2.5% current matching
  • Cycle-by-cycle current limit
  • Disconnect VOUT from VIN
  • Optional LED current auto-decrement at high temperatures
  • LED short/open, OTP, OCP, and inductor short protection
  • Configurable LED short threshold
  • Configurable OVP threshold
  • Fault indicator signal output
  • Allows connecting multiple LEDx pins for one LED string
  • Available in a QFN-24 package (4mm x 4mm)

Applications

  • Tablets
  • Notebooks
  • Automotive displays

Typical Application Diagram

Application Circuit Diagram - Monolithic Power Systems (MPS) MPQ3369 Step-Up Converter
Published: 2020-11-29 | Updated: 2024-08-14