Monolithic Power Systems (MPS) EVM54313-BJ-00A Evaluation Board

Monolithic Power Systems (MPS) EVM54313-BJ-00A Evaluation Board showcases the MPM54313 triple-output, fully integrated power module with an I2C interface. Each output supports up to 3A, totaling 9A. The Monolithic Power Systems (MPS) MPM54313 includes features like on/off sequencing control, configurable soft start (SS), compensation, and various protection thresholds. The device also offers configurable active voltage positioning (AVP) for generating a droop voltage, enabling three outputs to operate parallel with passive current balancing. Additionally, two outputs can work in parallel for up to 6A in interleaving mode, allowing for active current balancing.

Features

  • Input voltage (VIN) ranges from 4V to 16V
  • Output voltage (VOUT) VIN = 4V to 16V, IOUT = 0A to 3A, 3.36V
  • Full load efficiency VIN = 12V, VOUT = 3.3V, IOUT = 3A, fSW = 750kHz, independent output 91.04%
  • Maximum output current (IOUT) VIN = 4V to 16V, 9A
  • Peak efficiency VIN = 12V, VOUT = 3.3V, IOUT = 2.5A, fSW = 750kHz, independent output 91.12%
  • Default switching frequency (fSW) 1000kHz

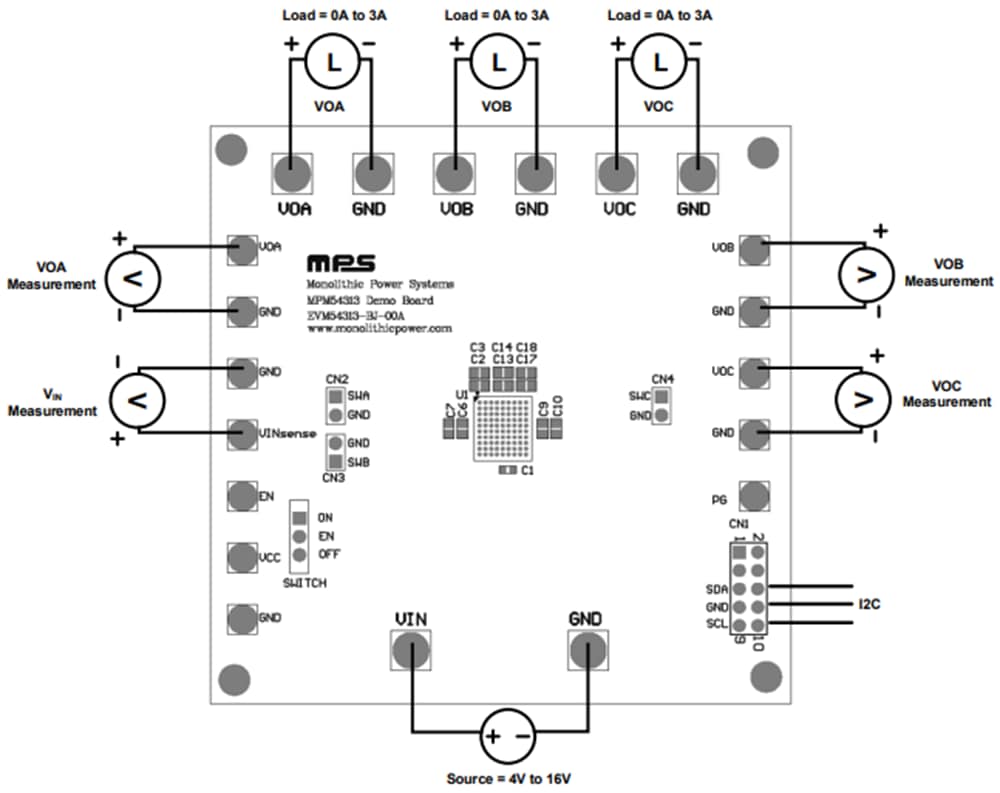
Application Diagram

Monolithic Power Systems (MPS) EVM54313-BJ-00A Evaluation Board
Published: 2024-07-29 | Updated: 2024-09-05