Monolithic Power Systems (MPS) EV6619L-Q-00A Evaluation Board

Monolithic Power Systems (MPS) EV6619L-Q-00A Evaluation Board is designed to demonstrate the capabilities of the MP6619L, an H-bridge motor driver. This board features a 2.5V to 28V input voltage (VIN) range, 5A maximum output current (IOUT_MAX), and a configurable current limit (ILIMIT). The EV6619L-Q-00A evaluation board also features Over-Current Protection (OCP), input Over-Voltage Protection (OVP), Under-Voltage Lockout (UVLO), and thermal shutdown. This board is available in 7.5cm x 7.5cm dimensions and in a QFN-19 (3mm x 3mm) package.

Features

  • 2.5V to 28V input voltage range
  • 5A maximum output current
  • Configurable current limit
  • Over-Current Protection
  • Input Over-Voltage Protection
  • Under-Voltage Lockout (UVLO)
  • Thermal shutdown
  • 7.5cm x 7.5cm dimensions
  • QFN-19 (3mm x 3mm) package

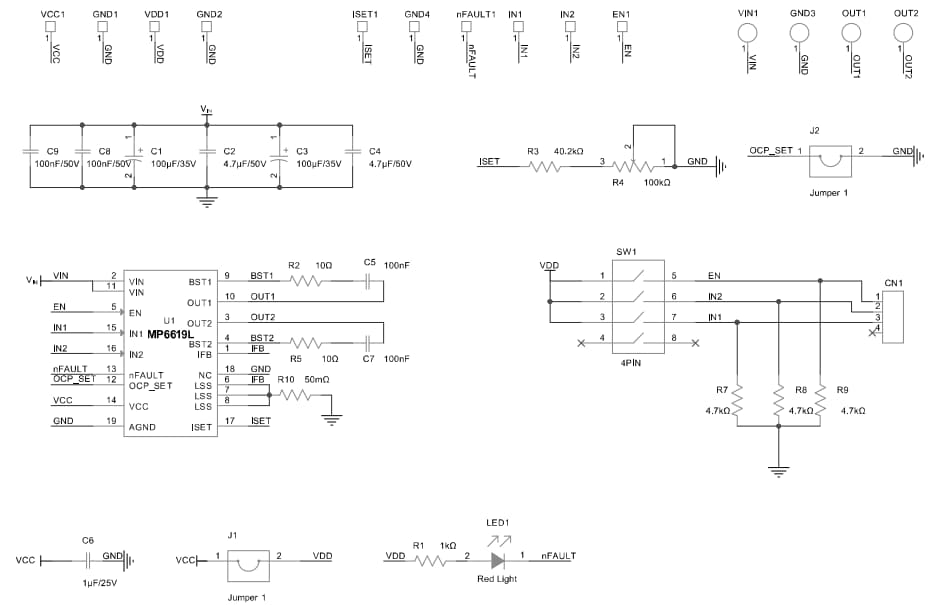
EV6619L-Q-00A Schematic Diagram

Schematic - Monolithic Power Systems (MPS) EV6619L-Q-00A Evaluation Board
Published: 2023-03-10 | Updated: 2023-03-24