Monolithic Power Systems (MPS) EV6605D-R-00A Evaluation Board
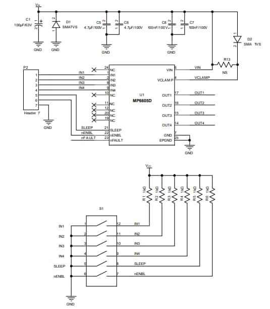
Monolithic Power Systems (MPS) EV6605D-R-00A Evaluation Board is designed to demonstrate the capabilities of the MP6605D, 4-channel Low-Side (LS) driver ICs with a parallel interface. This evaluation board integrates Low-Side MOSFET (LS-FET) and High-Side (HS) clamp diode to the drive inductive load. The EV6605D-R-00A evaluation board operates at a 4.5V to 60V supply voltage range (VCLAMP connected to VIN). This evaluation board features a 1.5A maximum LS output and 1.5A maximum HS output current (@duty cycle <20%). The EV6605D-R-00A evaluation board includes Over-Current Protection (OCP), Under-Voltage Lockout (UVLO), and Over-Temperature (OT) shutdown. This evaluation board is available in 6.35cm x 6.35cm x 2.5cm dimensions and is used in unipolar stepper motors and solenoid drivers.Features
- Demonstrates the capabilities of the MP6605D, a 4-channel Low-Side (LS) driver IC
- Over-Current Protection (OCP)
- Under-Voltage Lockout (UVLO)
- Over-Temperature (OT) shutdown
- Supports 3.3V and 5V logic supply
Specifications
- 1.5A maximum LS output
- 1.5A maximum HS output current (@duty cycle <20%)
- 6.35cm x 6.35cm x 2.5cm dimensions
- 4.5V to 60V supply voltage range (VCLAMP connected to VIN)
Schematic Diagram
Board Overview
Published: 2023-06-06
| Updated: 2023-07-04
