Mini-Circuits ZB4PD1 DC Pass Power Splitters/Combiners

Mini-Circuits ZB4PD1 DC Pass Power Splitters/Combiners feature DC pass and coaxial four-way power modules with a wideband frequency range. The ZB4PD1 series is suitable to use as splitters or combiners, which is ideal for various versatile applications. The splitters/combiners deliver improved isolation and VSWR ratings and operate in a -55°C to +100°C temperature range. The Mini-Circuits ZB4PD1 DC Pass Power Splitters/Combiners are ideal for wireless applications, including radio communication, cellular, satellite distribution, GPS, defense systems, VHF/UHF, and other receivers and transmitters.

Features

  • DC Pass or coaxial
  • Four-way at 0°
  • Wideband frequency range
  • Improved isolation rating
  • Improved VSWR
  • Suitable as splitters and combiners
  • Rugged, shielded case
  • RoHS compliant

Applications

  • Wireless
  • Radio
  • Communication
  • Defense systems
  • Cellular
  • Satellite distribution
  • GPS
  • VHF/UHF
  • Receivers/transmitters

Specifications

  • 5MHz to 5800MHz frequency range
  • 25dB to 34dB typical isolation rating
  • 1.1:1 typical VSWR
  • 10W max power input (as splitters)
  • 1.2A to 1.6A DC current rating
  • 0.25W to 0.375W max internal dissipation
  • -55°C to +100°C operating/storage temperature range

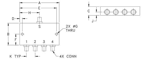
Mechanical Drawing

Mechanical Drawing - Mini-Circuits ZB4PD1 DC Pass Power Splitters/Combiners

Schematic

Schematic - Mini-Circuits ZB4PD1 DC Pass Power Splitters/Combiners
Published: 2024-05-31 | Updated: 2024-06-10