Mikroe MIKROE-3264 BarGraph 3 Click
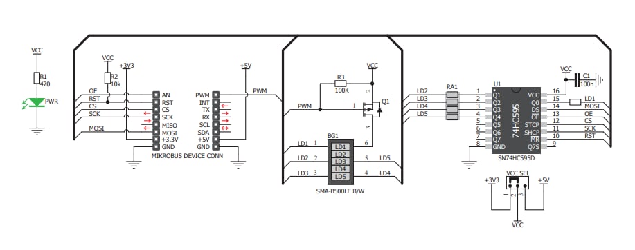
Mikroe MIKROE-3264 BarGraph 3 Click is a five-segment LED bar graph display with strong and uniform illumination of the segments. This click is equipped with the Texas Instruments 74HC595 IC that is a tri-state, serial-in, parallel-out, 8-bit shift register with output latch. The 74HC595 IC drives a monochrome (red) five-segment bar graph array. Mikroe BarGraph 3 Click incorporates segments with three internal LEDs that consist of a common cathode. The anodes of the LEDs are connected to a single point that reduces the number of display bar pins to six. This click provides an option to dim the LEDs with the PWM signal applied over the mikroBUS™ PWM pin. Typical applications include Volume Unit (VU) meters, status indicators, and different types of counters.Features
- Clean and bright five-segment LED bar graph
- Onboard modules
- Texas Instruments 74HC595 8-bit serial-in, parallel-out shift registers
- Bar graph array
- GPIO, PWM, and SPI interface
- Uniform light distribution
- Simple to use with included software library functions
- 3.3V or 5V input voltage
- 42.9mm x 25.4mm dimensions
Applications
- VU meters
- Status indicators
- Different types of counters
Overview
Schematic
Additional Resources
Published: 2019-01-02
| Updated: 2022-08-05
